信息更新: 2023年7月25日


• 请将本产品保存在环境温度-40~+85°C、相对湿度95%以下的场所。
• 内部零件偶尔可能发生老化或损坏,超过各安装部件的衰减曲线范围时,请勿使用。
• 请在相对湿度95%以下的场所使用。
• 请勿在日光直射的场所使用。
• 请勿在液体、异物、腐蚀性气体可能进入产品内部的场所中使用。
• 请勿在产生剧烈冲击或振动的场所使用。设置时,请远离接触器等会成为振动源的部件及装置。
• 安装时,请远离会产生强高频干扰及浪涌的设备。
• 有些变频器的输出规格中,虽然输出频率标记为50/60Hz,但是可能会因产品内部的温度上升而导致冒烟、烧损,因此请勿将变频器的输出用作产品电源。
• 输入连接UPS时,请勿连接矩形波输出设备。产品内部的温度上升可能导致冒烟、烧损。
• 安装时请注意考虑散热,以保证产品的长期可靠性。
请充分注意产品本体周围的空气对流,在衰减曲线范围内使用。
• 安装加工时,请确保切屑不进入产品内部。
• 否则,可能因散热不良,偶尔会导致内部零件老化或损坏。请勿松开产品本体上的螺钉。
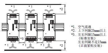
• 左右间隔不足15mm(正面紧贴安装)的情况下,可使用的组合仅限为相同型号。
此时,请按照左右间隔不足15mm时的衰减曲线使用。
• 产品故障时可能会导致火灾或触电,请务必使用推荐的断路器或保险丝。
• 为了满足安全标准,确保设备的安全性,请经由下表所示的推荐断路器或保险丝,对产品连接输入。
• 只有经过培训或有经验的人员才能更换断路器或保险丝。
注. S8VK-WB的DC输入不属于安全标准对象
• 通过交叉配线使用多台设备时,请考虑输入电流及浪涌电流,选择合适的断路器或保险丝。
• 请根据下图所示,进行输入的连接。
• 对于三相4线规格,请勿连接中性线,将其余3线连接至“L1/+、L2、L3/-”。
• 地线务必完全连接。由于使用安全标准规定的PE(保护接地)端子,若未完全接地,可能引发触电或误动作。
• 有意外发生轻度起火的危险,请确保输入和输出端子等正确连接。
• 插入配线时或向释放孔插入一字螺丝刀时,请勿以40N以上(S8VK-W□960□□和S8VK-WA202□□的输出端子台为100N以上)的力推压端子台。
• 释放孔请勿接线。
• 在一字螺丝刀插在释放孔中的状态下,请勿拧转或倾斜一字螺丝刀。否则可能造成端子台破损。
• 将一字螺丝刀插入释放孔时,请倾斜放入。如果笔直放入,可能造成端子台破损。
• 请勿使插入释放孔中的一字螺丝刀掉落。
• 请勿强行弯曲或拉拽电线。否则可能造成断线。
• 请勿在1个端子(插入)孔中插入多根电线。
• 请勿在电线前端进行预焊。将导致无法正确连接。
• 通电前,请务必取下加工时盖在产品上的薄板等物件,确认不影响散热。
• 可能发生振动或冲击时,请使用带棒状端子的电线或多股线。
• 有意外发生轻度起火的危险。
更换产品时,请务必确认设备的电压,并使用适用的产品。
• 为防止接线材料冒烟、起火,请确认电线的额定规格,使用下表中的线材。
• 线材为铜制,请使用多股线或单芯线。但是,S8VK-W□960□□和S8VK-WA202□□的直流输出端子不可使用单芯线。
*1. 若流通超过以下任意一个额定电流,请务必同时使用多个端子和电线。
额定电流(输出端子)为45A/端子
电线的额定电流(输出侧)AWG6:65A、AWG8:50A、AWG10:35A
• 本产品可在输入侧通过交叉线进行接线。
• 通过交叉线连接的台数请勿超过5台,同时,正常情况下流入输入端子的电流请勿超过10A(S8VK-WA202□□为15A)。此外,上表表示1台产品的推荐电线。
• 在N台上使用有交叉线的接线时,输入端子中将流入单独使用时N倍的浪涌电流,选择线材时请考虑这一点。
• 请使用60°C或60/75°C以上的耐热电线。
S8VK-WA□□□□□:输入端子台/PE端子台
S8VK-WA24024:直流输出端子台
S8VK-WA48024:直流输出端子台
S8VK-WA96024:直流输出端子台
S8VK-WA202□□:直流输出端子台
S8VK-WA□□□□□:信号输出端子台/COM端子台
S8VK-WB□□□□□:输入端子台/PE端子台
S8VK-WB240□□:直流输出端子台
S8VK-WB480□□:直流输出端子台
S8VK-WB960□□:直流输出端子台
S8VK-WB□□□□□:信号输出端子台/COM端子台
• 通电时请勿接触端子,否则,可能会因触电而导致轻度伤害。即使是在INPUT OK指示灯未亮起时,也有可能施加了电压,因此请在接线作业时确认输入电压。
• 输出电压达到额定输出电压的90%以上时DC OK指示灯亮灯,产品内部的MOS FET继电器导通(ON)。
• 即使是在DC OK指示灯未亮起时,也有可能存在输出电压,因此请在连接负载装置时确认输出电压。
• DC OK信号输出功能,负责监控产品输出端子部的电压。确认施加于负载的电压的正确状态时请测定负载端的电压。
• 将输出电压设定为低于90%额定输出电压的值时,可能会发生DC OK指示灯熄灭、DC OK信号输出OFF的情况。
• 峰值电流状态下,可能会发生Iout>100%指示灯亮起,Iout>100%信号输出ON的情况,只要满足●峰值电流(下述)的使用条件,即可使用。
• 短路时,会在过电流保护功能的作用下,执行间歇运行。此时,Iout>100%指示灯将配合间歇运行闪烁,Iout>100%信号输出则反复进行ON/OFF的动作。间歇运行时,Iout>100%信号输出的最小ON时间为5ms。(S8VK-WA202除外)
(DC OK信号输出端子与COM端子之间、Iout>100%信号输出端子与COM端子之间)
DC30V以下、50mA以下、ON时残留电压2V以下、OFF时漏电流0.1mA以下
注1. 信号输出内部并未配备电流限制回路,因此请注意避免让信号输出端子的电流超过50mA。
2. 配线后请确认能否正常动作。
峰值电流是指在一定时间内流过的超过额定电流的电流。
可在满足以下4个条件的范围内使用。
<S8VK-W□240、480、960>
• 峰值电流的流入时间:t1 ≦ 10s
• 峰值电流:lp ≦ 最大峰值电流
• 平均输出电流:lave ≦ 额定输出电流
• 峰值电流的流入时间比率:Duty ≦ 30%
<S8VK-WA202>
• 峰值电流的流入时间:t1 ≦ 5s
• 峰值电流:lp ≦ 最大峰值电流
• 平均输出电流:lave ≦ 额定输出电流×60%
• 峰值电流的流入时间比率:Duty ≦ 10%

将蓄电池连接至负载时,请安装过电流限制回路和过电压保护回路。
• 可能导致输出电压微调器(V.ADJ)损坏,因此请勿施加不必要的过大外力。
• 输出电压调整后的输出功率及输出电流应低于额定输出功率及额定输出电流。
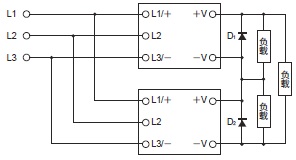
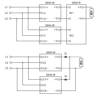
2台产品可进行串联运行。
注1. 负载短路时,产品内部会承受反向电压。偶尔可能导致产品老化或损坏,因此请连接如图所示的二极管。选择二极管的大致标准如下。
注2. 虽然不同规格的产品也可串联运行,但负载中流通的电流应小于两台中较小的额定输出电流值。
在开始使用前,请确认Iout>100%指示灯未亮起,或Iout>100%信号输出处于OFF状态。
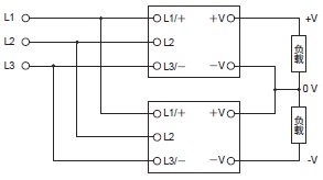
• 由于是浮动输出(一次侧电路和二次侧电路分离),因此可以通过2台产品形成±输出。±输出在所有机型中都能实现。
作为±输出使用时,请如下图所示连接同一机型的产品(可以进行不同输出功率、输出电压的组合。
但负载中的电流应低于输出功率中较小一方的额定输出电流)。
• 某些机型中,负载是伺服电机、运算放大器等可能串联运行的情况下,电源接通时可能发生启动不良,引起内部电路损坏,因此请如下图所示连接旁路用二极管(D1、D2)。
• 二极管的种类、耐电压、电流的大致标准如下。
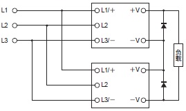
并联运行是指当1台产品的输出电流无法满足负载时,将产品并联连接,以增加输出电流的运行方法。可并列运行2台相同功率的产品。
请在下列条件下进行并联运行。
• 标准安装
• 环境温度 -25~+40°C
• 左右间隔15mm以上,上下间隔23mm以上
• 额定输入电压范围
• 输出电压25V以下(S8VK-W□□□□24)
• 输出电压49V以下(S8VK-W□□□□48)
• 请用输出电压微调器(V. ADJ)进行调整,使输出电压差在50mV以下。
• 产品的输出电流不平衡时,输出电压较高的产品将以过电流保护状态运行,寿命会极端变短,因此调整产品的输出电压差后,请确认电流已平衡地输出。
• 请将负载连接电线的长度、粗细统一,使产品和负载之间的电压下降保持相同。
• 负载急剧变化(包括负载的启动、断开时)可能会导致输出电压下降数V。如图所示,请连接S8VK-R或外接二极管。
并联运行240W机型或S8VK-WB48048时,可用S8VK-R20。
• 可能发生输入电压变动,并超出额定输入电压范围时,请勿进行并联运行。
• 二极管的种类、耐电压、电流的大致标准如下。
• 设定S8VK-W的输出电压时,请高出二极管D1、D2正向电压(VF)的下降量。此外,二极管会导致产品输出电流(IOUT)×二极管正向电压(VF)的电量损失,因此,请采取必要的冷却措施,使得二极管的温度低于规格值。
• 由于存在负载电力和二极管产生的电力损耗,因此,请不要超过1台产品的额定电力(额定输出电压×额定输出电流)。
• 内部零件偶尔可能发生老化或损坏。并联运行2000W产品时,请将并联运行用开关置于“PARALLEL”侧。
<关于备份运行>
使用2台同机型产品时,可进行备份运行。因此,即使一台发生故障,另一台也可继续运行。
请勿使最大负载功率超出1台产品的功率。
请连接S8VK-R或外接二极管。
备份运行240W机型或S8VK-WB48048时,可用S8VK-R20。
• 二极管的种类、耐电压、电流的大致标准如下。
• 设定S8VK-W的输出电压时,请高出二极管D1、D2正向电压(VF)的下降量。此外,二极管会导致产品输出电流(IOUT)×二极管正向电压(VF)的电量损失,因此,请采取必要的冷却措施,使得二极管的温度低于规格值。
• 由于存在负载电力和二极管产生的电力损耗,因此,请不要超过1台产品的额定电力(额定输出电压×额定输出电流)。
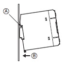
安装到DIN导轨时,将A部挂到导轨的一端,朝B方向用力按进去。
拆卸时,在C部插入一字螺丝刀,将其拉出。
端子台各部分的名称
带压接棒状端子(以下称棒状端子)的电线、单芯线的连接方法
连接端子台时,请将电线插到底,直至单芯线或棒状端子的前端碰到端子台。
• 单芯线较细难以连接时,与多股线的连接方法相同,请使用一字螺丝刀。
连接到端子台时,请按以下步骤操作。
(1)请将一字螺丝刀倾斜,插入释放孔中。
合适的插入角度为10~15°。正确地插入一字螺丝刀后,可以感觉到释放孔中弹簧的反弹。
(2)在一字螺丝刀插在释放孔中的状态下,请笔直插入,直至电线的前端与端子台接触。
(3)请从释放孔中拔出一字螺丝刀。
• 插入后,请轻轻拉拽,确认电线不会脱落(已固定在端子台上)。
• 使用推荐棒状端子,插入到端子台后,可能可以看到导体的一部分,但仍满足产品的绝缘距离。
从端子台上拆下电线时,请按以下步骤操作。
多股线/单芯线/棒状端子的拆卸方法相同。
(1)请将一字螺丝刀倾斜,插入释放孔中。
(2)请在一字螺丝刀插在释放孔中的状态下,从端子(插入)孔中拔出电线。
(3)请从释放孔中拔出一字螺丝刀。
推荐棒状端子
S8VK-W□□□□□□ :输入端子台/PE端子台
S8VK-W□240□□ :直流输出端子台
S8VK-W□□□□□□ :信号输出端子台/COM端子台
注1. 请确认电线覆膜外径小于推荐棒状端子的绝缘套管内径。
2. 请确认棒状端子的加工尺寸满足以下形状。
注1. 请确认电线覆膜外径小于推荐棒状端子的绝缘套管内径。
2. 请确认棒状端子的加工尺寸满足以下形状。

注1. 请确认电线覆膜外径小于推荐棒状端子的绝缘套管内径。
2. 请确认棒状端子的加工尺寸满足以下形状。

注1. 请确认电线覆膜外径小于推荐棒状端子的绝缘套管内径。
2. 请确认棒状端子的加工尺寸满足以下形状。

使用一字型螺丝刀连接和拆卸电线。
请使用下表的一字型螺丝刀。
下表为截至2018年12月的制造商和型号。
S8VK-W□□□□□□ :输入端子/PE端子台
S8VK-W□240□□ :直流输出端子台
S8VK-W□480□□ :直流输出端子台
S8VK-W□□□□□□ :信号输出端子/COM端子台
* SZF 0-0,4×2,5(PHOENIX CONTACT生产)可通过开云(中国)的专用采购型号(XW4Z-00B)进行订购。
S8VK-W□960□□ :直流输出端子台
S8VK-WA202□□ :直流输出端子台
因为配备了高谐波电流抑制回路,接通输入电路时可能会有噪声,这是内部电压稳定之前的过渡性现象,并非异常。
可能是过电流保护或过电压保护功能动作了。也可能是输入端加入了雷电浪涌等强大的浪涌电压,内部保护回路功能动作。
如果对下述2项进行了确认后,仍没有输出电压时,请向本公司咨询。
过电流保护的确认方法
<S8VK-W□240、480、960>
请确认负载是否处于过电流状态(包括短路)(拆下负载线)。可通过Iout>100%指示灯的亮起与否,或Iout>100%信号输出的运行状态进行确认。
<仅限S8VK-WA202>
请确认负载是否处于过电流状态(包括短路)(拆下负载线)。
先将输入电源OFF,至少等待3分钟后再重新接通电源。
过电压保护、内部保护的确认方法
先将输入电源OFF,至少等待3分钟后再重新接通电源。
废弃时请作为工业废弃物处理。
〔免费保修期限〕
产品的保证期为出厂后5年。
〔免费保修范围〕
将以下范围作为使用条件。
1. 平均使用温度40°C以下(本体环境温度)
2. 平均负载率80%以下
3. 安装方法:标准安装
* 最大额定规格在衰减曲线的范围内。
在上述保证期内,若因本公司原因发生产品故障,将在购入场所或交货场所对该产品的故障部分进行免费更换或修理。
但下列情况不属于保证的对象范围。
(1)在无法通过该样本或另行交付的规格书确认的不恰当条件、环境下操作、使用造成故障时。
(2)故障的原因为本产品以外时。
(3)因本公司以外的分解、改装或修理造成故障时。
(4)按照非产品原来的使用方法使用造成故障时。
(5)因发生出厂当时的科学、技术水平无法预计的情况而造成故障时。
(6)其它天灾、灾害等非本公司责任造成的故障时。
另外,在此所提到的保证是指保证该产品本身,由该产品故障所引发的损害不属于范围之内。
以预测性维护为目的的推荐更换时间,受产品安装使用环境等的影响很大,但一般推荐更换时间大致为7年~10年(*)。为了防止因超寿命使用本产品而导致的故障及事故,建议在推荐更换时期内提前更换。推荐更换时期仅供参考,并非产品寿命的保证。
本产品中组装了很多电子零部件,若所有这些零部件均能正常运行,则可以发挥本产品既有的功能及性能。不过,铝电解电容器受运行时环境温度的影响很大,环境温度上升10°C,其寿命会缩短1/2(阿雷尼厄斯定律)。若电解电容器功率变小到了寿命限度,可能导致产品故障及事故。因此,建议每经过一定时间及时更换产品,以尽量将设备的故障及事故防止于未然。
* 额定输入电压、负载率50%以下、环境温度40°C以下、标准安装状态。
在上述条件下,本机型的设计期待寿命为10年以上。
信息更新: 2023年7月25日