Page top

S8VK-WA

开关电源(240/480/960/2000W型)

S8VK-WA

三相200V~240V输入、解决三相平衡课题

引领时代的开关电源

低功耗控制柜设计,助力实现碳中和

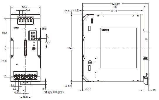
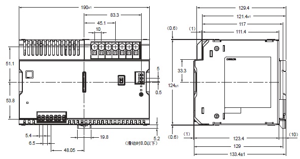
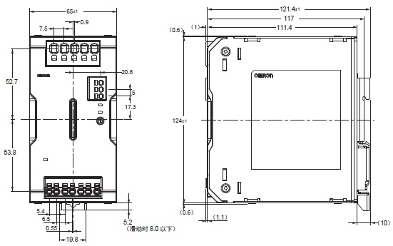
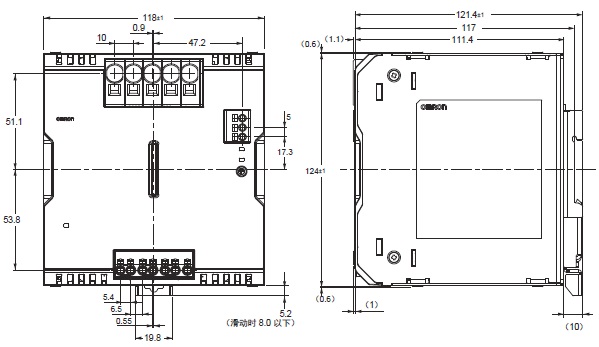
(单位:mm)


S8VK-WA24024

S8VK-WA 外形尺寸 1

S8VK-WA48024

S8VK-WA 外形尺寸 2

S8VK-WA96024

S8VK-WA 外形尺寸 3

S8VK-WA20224

S8VK-WA 外形尺寸 4

安装支架(另售品)

S8VK-WA 外形尺寸 5

注. 在正面紧贴安装时,也可以使用正面安装支架。

DIN导轨安装用品(另售品)

固定支架(终端板)

PFP-M

S8VK-WA 外形尺寸 7

注. 若产品发生横向滑动,请在本体两端安装终端板(PFP-M)。