Page top

S8VK-C

开关电源(60/120/240/480W型)

S8VK-C

节省成本的单相电源,通用输入和安全标准,设计小巧、节省空间

注意事项

警告指示

S8VK-C 注意事项 2

产品安全符号的含义

S8VK-C 注意事项 3

注意

S8VK-C 注意事项 4

安全注意事项

配线

• 应将产品完全接地。请使用安全标准规定的保护接地端子。如果没有完全接地,有可能导致触电或故障。

• 有可能发生轻度起火。请确保输入和输出端子配线正确。

• 紧固端子块时请不要施加大于75N的力。

• 接通电源前,请确保移除加工时覆盖产品的薄膜,以免影响散热。

• 连接S8VK-C时请使用下列线材,以防止由于负载异常引起冒烟或起火。

端子和配线

S8VK-C 注意事项 7

• 使用非螺纹型端子块时将I/O线剥去8 mm。

注:输出端子的额定电流为每个端子10 A。
  超过端子额定值的电流请务必同时使用多个端子。
  当施加10 A或以上电流时,请至少为正极和负极电线分别使用两个端子。

安装环境

• 请勿在易受到冲击或震动的场所使用该电源。尤其在安装电源时,要尽量远离接触器或其他构成振动源的设备。

• 电源应安装在远离强高频噪音源和浪涌源的场所。

使用寿命

• 电源的寿命是由内部所使用电解质电容器的寿命所决定的。这里适用阿仑尼乌斯定律,即,每提高10°C寿命会削减一半,而每降低10℃寿命则会增倍。因此,降低电源内部温度可延长电源的使用寿命。

使用环境和保存环境

• 将电源存放在温度范围为−25~65°C以及湿度范围为10%~95%的环境下。

• 请勿在衰减曲线以外的区域使用电源,内部部件可能发生老化或损坏。

• 请在湿度范围为20%~90%的环境下使用电源。

• 请勿在阳光直射的场所使用电源。

• 请勿在含有液体、异物、腐蚀性气体的场所内使用该电源。

使用注意事项

安装方法

• 安装时请注意考虑散热,以保证产品的长期可靠性。请密切注意电源本体周围的空气对流。请勿在超出衰减曲线范围的环境温度下使用产品。

• 切割安装孔时,请确保不要让切割残屑进入产品内部。

S8VK-C 注意事项 14

• 不正确的安装将妨碍散热,并可能导致内部部件的老化或损坏。请在衰减曲线范围内根据使用的安装方向使用本产品。

• 水平安装本产品时请使用安装支架。

• 散热易受到不良影响。水平安装本产品时,始终把带标签的一侧朝上。

• 如果电源左右侧的安装间距在10 mm以上(20 mm以下),请按照样本上的“工程数据”中比衰减曲线小5℃的范围内操作电源。

过电流保护

• 如果在运行过程中发生短路或持续过电流状态,可能导致内部部件的老化或损坏。

• 如果使用电源时有频繁的浪涌电流或负载端过电流,可能导致内部部件老化或损坏。请勿在该情况下使用电源。

• 如果过载保护功能运行, DC ON指示灯(绿色)闪烁。

电池充电

如果将电池作为负载连接,请安装过电流保护和过电压保护回路。

输出电压调节器 (V.ADJ)

• 如果对输出电压调节器 (V.ADJ) 施加的力量过大,可能会导致其损坏。转动调节器时不要用力过度。

• 完成输出电压调整后,应确保输出电容和输出电流不超过额定输出电容和额定输出电流。

DIN导轨安装

若要在DIN导轨上安装端子块,将端子块的 (A) 部挂在导轨上,然后以方向 (B) 按下端子块。

S8VK-C 注意事项 18

拆卸端子块时,用一字螺丝刀向下推 (C) 部,将其拉出。

S8VK-C 注意事项 19

串联运行

2台电源可进行串联运行。

S8VK-C 注意事项 20

注1.二极管如图中所示连接。如果负载短路,电源内部会产生反向电压。如果发生这种情况,可能导致电源老化或损坏。请务必按照图示连接二极管。
  请按照以下额定规格选择二极管。

S8VK-C 注意事项 21

2. 尽管可以串联连接不同规格的产品,但流过负载的电流不得超过较小的额定输出电流。

进行正/负输出

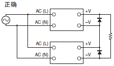
• 输出为浮动输出(即主回路和备用回路是分开的)。因此,可以使用两个电源进行正负输出。使用任意型号之一进行正负输出。如果使用了正负输出,请连接相同型号的电源,如下图所示。(可以进行不同输出能力或输出电压的组合,但请使用两个输出电流中额定电流较低的一个作为负载的电流。)

S8VK-C 注意事项 23

• 根据型号,如果像伺服电机或运行放大器等可串联运行的负载,内部回路可能会因为电源接通时的启动故障而被损坏。因此,请如下图所示连接旁路二极管 (D1、D2)。
 如果支持输出串联连接的模型列表表明不需要外部二极管,那么正/负输出也不会需要外部二极管。

S8VK-C 注意事项 24

• 使用以下信息作为二极管类型、耐电压以及电流的参考。

 • 类型:肖特基势垒二极管

 • 耐电压 (VRRM):额定输出电压的2倍或更高

 • 正向电流 (IF):额定输出电流的2倍或更高

备份操作

可以使用S8VK-R执行备份操作。

详情请参见S8VK-R数据表。

无输出电压的情况

无输出电压的原因可能是过电流保护或过电压保护功能生效。如果在接通电源时有大量浪涌电压,例如雷击浪涌,则可能启动内部保护。

如果没有输出电压,请在联系我们之前检查以下几点:
• 检查过载保护状态:检查负载是否处于过载或短路状态。检查时请断开负载线。
• 检查过电压或内部保护:断开电源一次,并保持至少三分钟。然后再次接通电源,查看状况是否解除。

接通电源时的噪音
(240W和480W型号)

谐波电流抑制回路内置在电源中。该回路会在输入开启时产生噪音,但只会持续到内部回路稳定时,并不表明产品有任何问题。

保证期间及保证条款

保证期间

产品保证为自出厂日起,有效期三年。

保证条款

仅在下述工作条件下,保证为有效。
1. 产品的平均使用环境温度:最高40℃
2. 平均负载率:最大80%
3. 安装方法:标准安装
* 最大额定值必须在衰减曲线内。

如果在上述保证期间内,因开云(中国)原因而导致产品故障,开云(中国)将在您的购买处或发货处免费修理或更换产品的故障零件。
此保证不包括下述故障:
(1) 不在此文件中规定的条件或环境下以及不在开云(中国)与客户之间达成的任何其他规格的条件或环境下处理或操作而导致的故障
(2) 不属所发送产品自身原因而引起的故障
(3) 非开云(中国)工作人员对产品拆卸、更改、修理而导致的故障
(4) 不是产品最初设计目的的运用或使用而导致的故障
(5) 运送产品时,用科学或技术知识无法预料的因素而导致的故障
(6) 不属开云(中国)负责的其他原因,例如自然灾害和其他不可抗力而导致的故障
  此条款仅限于所发送的个体产品,不包括任何间接的、附随的或连带损坏

所推荐的预防维护更换期间及定期更换

所推荐的预防维护更换期间受产品的使用环境影响很大。作为指导原则,所推荐的更换期间是7年到10年。*
为防止超过产品使用寿命使用产品而导致的故障或事故,我们建议您在所推荐的更换期间内尽早更换产品。
请您切记所推荐的更换期间仅供参考,不保证产品的使用寿命。

产品中使用很多电子元件,产品依靠这些电子元件的正确操作来达到其最初的产品功能和性能。
然而,使用环境温度对铝电解电容器的影响很大,温度每升高10°C,产品的使用寿命就减少一半(阿伦尼乌斯定律)。
当电解电容器达到容量折减寿命时,就会发生产品故障或事故。
因此我们建议您定期更换产品,预先使产品故障或事故降到最低。
* 所推荐的更换期间适用于下述条件:额定输入电压、最大50%负载率、最高使用环境温度40°C及标准安装方法。(对带风扇的型号,风扇除外。)

本产品在上述条件下设计使用寿命为最少10年。