Page top

S8VK-C

开关电源(60/120/240/480W型)

S8VK-C

节省成本的单相电源,通用输入和安全标准,设计小巧、节省空间

(单位:mm)

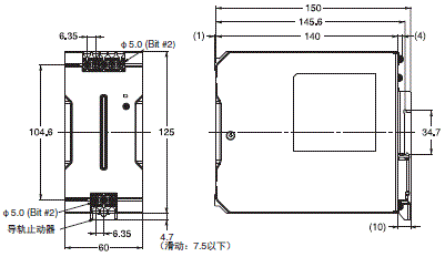
S8VK-C06024 (60 W)

S8VK-C 外形尺寸 1

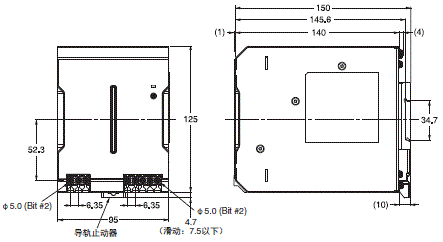
S8VK-C12024 (120 W)

S8VK-C 外形尺寸 2

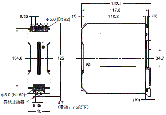
S8VK-C24024 (240 W)

S8VK-C 外形尺寸 3

S8VK-C48024 (480 W)

S8VK-C 外形尺寸 4

DIN导轨(另售)

注:除非另有说明,所有规格以毫米为单位。

安装导轨(材质:铝)
PFP-100N
PFP-50N

S8VK-C 外形尺寸 6

安装导轨(材质:铝)
PFP-100N2

S8VK-C 外形尺寸 7

终端板
PFP-M

S8VK-C 外形尺寸 8

注:如果单元可能受到振动或冲击,请使用钢质DIN导轨。否则金属可能因磨损导致铝制产品产生破损。

安装支架

S8VK-C 外形尺寸 11
S8VK-C 外形尺寸 12