Page top

S8VK-G

开关电源(15/30/60/120/240/480-W型)

S8VK-G

性能可靠,操作简单,通用型电源,可在恶劣环境中使用,安装简单,快速上手,市面上小尺寸型号

连接

端子块图

S8VK-G015□□ (15W)

S8VK-G 配线/连接 3

S8VK-G030□□ (30W)

S8VK-G 配线/连接 4

S8VK-G060□□ (60W)

S8VK-G 配线/连接 5

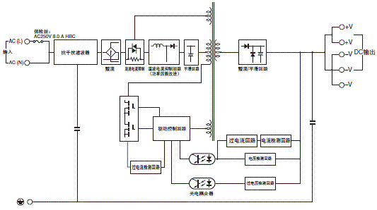
S8VK-G12024 (120W)

S8VK-G 配线/连接 6

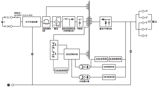
S8VK-G240□□ (240W)

S8VK-G 配线/连接 7

S8VK-G480□□ (480W)

S8VK-G 配线/连接 8