Page top

S8VK-G

开关电源(15/30/60/120/240/480-W型)

S8VK-G

性能可靠,操作简单,通用型电源,可在恶劣环境中使用,安装简单,快速上手,市面上小尺寸型号

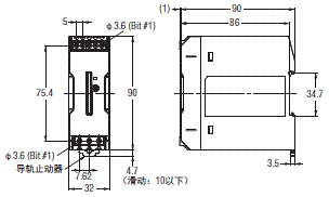
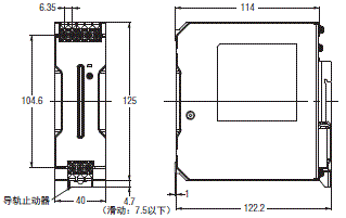
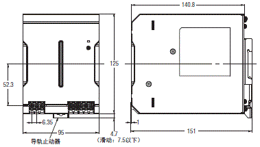
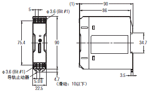
(单位:mm)

S8VK-G015□□ (15W)

S8VK-G 外形尺寸 1

S8VK-G030□□ (30W)

S8VK-G 外形尺寸 2

S8VK-G060□□ (60W)

S8VK-G 外形尺寸 3

S8VK-G12024 (120W)

S8VK-G 外形尺寸 4

S8VK-G240□□ (240W)

S8VK-G 外形尺寸 5

S8VK-G480□□ (480 W)

S8VK-G 外形尺寸 6

DIN导轨(另售)

安装导轨(材质:铝)
PFP-100N
PFP-50N

S8VK-G 外形尺寸 8

安装导轨(材质:铝)
PFP-100N2

S8VK-G 外形尺寸 9

终端板
PFP-M

S8VK-G 外形尺寸 10

注:如果单元可能受到振动或冲击,请使用钢质DIN导轨。否则金属可能因磨损导致铝制产品产生破损。

安装支架

S8VK-G 外形尺寸 13
S8VK-G 外形尺寸 14