Page top

2017/03 生产终止

G3PA

功率固态继电器

G3PA

散热器一体式超小纤细型

该页面所登载的内容是基于生产终止以前的产品样本制作而成的参考信息,产品的特点/种类/规格/配件等可能与现在所使用的不同。请在使用时确认系统的兼容性及安全性。

(单位:mm)

本体

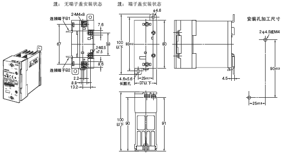
G3PA-210B-VD

G3PA 外形尺寸 3 G3PA-210B-VD_Dim

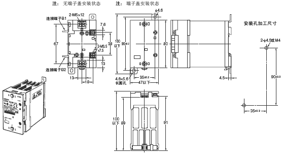
G3PA-220B-VD

G3PA 外形尺寸 5 G3PA-220B-VD_Dim

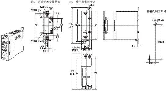
G3PA-240B-VD

G3PA 外形尺寸 7 G3PA-240B-VD_Dim

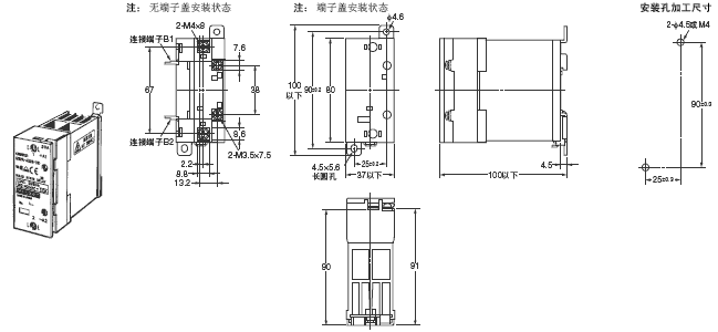
G3PA-420B-VD, G3PA-420B-VD-2

G3PA 外形尺寸 9 G3PA-420B-VD_Dim

G3PA-430B-VD, G3PA-430B-VD-2

G3PA 外形尺寸 11 G3PA-430B-VD_Dim

G3PA-260B-VDG3PA-450B-VD-2

G3PA 外形尺寸 13