Page top

G7K

闭锁继电器

G7K

带手动按钮的小型机械锁定式闭锁型继电器

(单位:mm)

本体

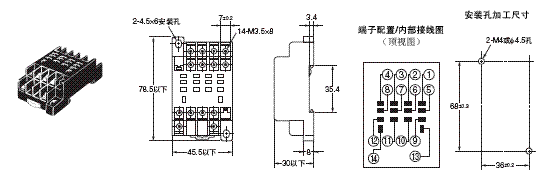
G7K-412S

G7K 外形尺寸 2

连接插座(另售)

PTF14A
正面连接插座

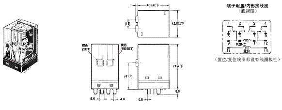
G7K 外形尺寸 5

导轨安装、螺钉 紧固安装共用

固定支架PKC

G7K 外形尺寸 6

插座的安装高度(単位:mm)

G7K 外形尺寸 8

注1. 插座PTF14A为10A·240Vmax.的额定规格,但G7K-412S的通电电流为 3A,因此,请在接点额定规格内使用。
2. 请使用PKC1 (2个装),作为G7K和PTF14A的固定支架使用。
3. 请将固定支架插入PTF14A,确认金属支架拔不出之后使用。
4. 置位、复位按钮有颜色区分。 置位按钮:绿色 复位按钮:黄色
5. 在正面连接插座上用螺钉紧固连接时,请使用压接端子等合适的连接端子 切实连接,不能使连接线松动。 正确的紧固扭矩为0.78~1.18N·m。
6. 配线时,导线要留有适当的余量,请不要对端子勉强施力(2N以上)。 并且请充分实施终端处理,以免因线须而发生短路。