Page top

MMK

闭锁继电器

MMK

功率继电器型MM的机械锁定方式 闭锁型

(单位:mm)

MMK 外形尺寸 1

本体

外露型

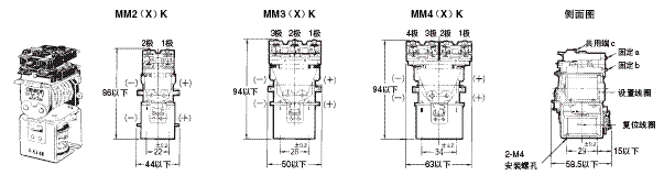
焊锡端子MM2(X)KMM3(X)KMM4(X)K

MMK 外形尺寸 5 MM2K_Dim

请将MM□XK的公共端子C连接在(+)上。

螺钉紧固端子MM2(X)KBMM3(X)KBMM4(X)KB

MMK 外形尺寸 8 MM2KB_Dim

请将MM□XKB的公共端子C连接在(+)上。.

安装孔加工尺寸

尺寸公差为±0.2。

直接安装时

MMK 外形尺寸 12 MMK_Dim1

金属安装支架(S金属支架)

外露型的安装,也可使用S金属支架。

R99-03 (S KANAGU) FOR MM□

MMK 外形尺寸 15 R99-03 (S KANAGU) FOR MM[]_Dim

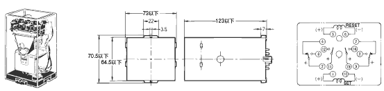
盒装型

插座端子型

MM2(X)KP

MMK 外形尺寸 19 MMK2KP_Dim

请将公共端C均设置为同一极性。外壳上的标记记号表示为同一极 性,因此公共端子C全表示为(+),只要极性全部统一,(+)、 (-)任意即可。

MM3(X)KPMM4(X)KP

MMK 外形尺寸 22 MMK3KP_Dim

请将公共端C均设置为同一极性。外壳上的标记记号表示为同一极 性,因此公共端子C全表示为(+),只要极性全部统一,(+)、 (-)任意即可。

MMK 外形尺寸 24

本体

MM4KP-JD

MMK 外形尺寸 27 MMK4KP_JD_Dim

注: 接点规格为2c、2a。

MM4XKP-JD

MMK 外形尺寸 30 MMK4XKP_JD_Dim

注: 接点规格为2c、2a。 请将公共端C均设置为 同一极性。外壳上的标 记记号表示为同一极 性,因此公共端子C全 表示为(+),只要极 性全部统一,(+)、 (-)任意即可。

插座的安装高度

使用正面连接插座时 导轨安装时

MMK 外形尺寸 34