Page top

MM

功率继电器

MM

具有稳定的接触可靠性和高度耐用性的功率继电器

(单位:mm)

MM 外形尺寸 1

本体

外露型

焊锡端子 MM2(X) MM4(X)
MM3(X)

MM 外形尺寸 5 MM2_Dim

该插图为MM2。
请将MM□X的共用C连接在(+)上。

螺钉紧固端子 MM2(X)B MM4(X)
BMM3(X)B

MM 外形尺寸 8 MM2B_Dim

该插图为MM2B。

请将MM□XB的共用C连接在(+)上。

安装孔加工尺寸
直接安装时

MM 外形尺寸 11 MM2_Dim1

安装支架 (S 金属支架) 外露型的安装,也可使用S金属支架。
R99-03 (S KANAGU) FOR MM[]

MM 外形尺寸 13 R99-03 (S KANAGU) FOR MM[]_Dim

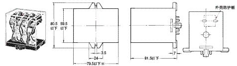
带外壳型

插入式端子
MM2P(N、-D)
MM2XP(N、-D)

MM 外形尺寸 16 MM2P_Fig

关于MM2XP (N、-D), 如图所示,外壳侧面开有 3-φ10孔。
※ 加装外壳保护板时,尺寸 为48㎜以下。

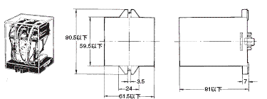
MM3P(N)

MM 外形尺寸 18 MM2P_Dim

该插图为MM3P.

MM3PXP(N)
MM4P(N、-D)
MM4XP(N、 -D)

MM 外形尺寸 21 MM4P_Fig

关于MM□XP (N、-D),如图所 示,外壳侧面开有 3-φ10孔。
※加装外壳保护板 时,尺寸为80mm 以下。

MM 外形尺寸 23

本体

MM4P-JD

MM 外形尺寸 26 MM4P_JD_Dim

MM4XP-JD

MM 外形尺寸 28 MM4XP_JD_Dim