Page top

G7T

I/O继电器

G7T

W29×D10×H32mm的 I/O纤细型继电器

(单位:mm)

本体

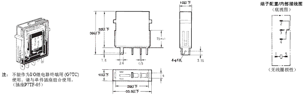
1a标准 G7T-1122S(输入用) G7T-1112S(输出用)

G7T 外形尺寸 3 G7T-1122S/1112S_Dim

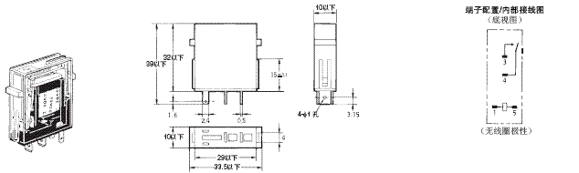
1b标准 G7T-1012S(输出用)

G7T 外形尺寸 5 G7T-1012S_Dim

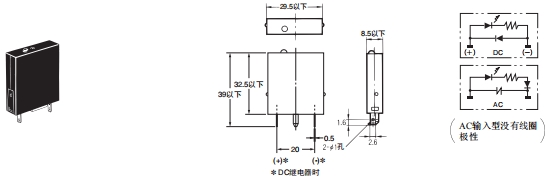
1c标准 G7T-112S(输出用)

G7T 外形尺寸 7 G7T-112S_Dim

注: 单件插座P7TF-05和指示灯模块P70D(DC12/24V) 并用时,请将端子1置于+。

单件插座

P7TF-05

G7T 外形尺寸 11 P7TF-05_Dim

注: 使用I/O固态继电器、指示灯模块时①端子为极性,敬请注意。

* 使用M3安装时,建议装入垫圈。使用M4安装时,无需使用垫圈。

指示灯模块(附带浪涌吸收功能)

P70□

G7T 外形尺寸 16 P70_Dim