Page top

MY

微型功率继电器

MY

畅销的通用继电器,可根据使用环境和用途选用

(单位:mm)

MY 微型功率继电器

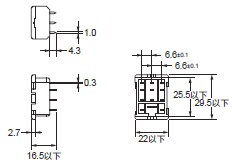
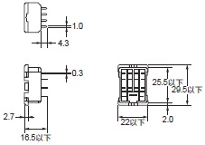
插入型端子

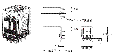
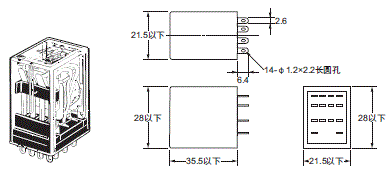
MY2、MY2N、MY2-D、MY2N-D2
MY2-CR、MY2N-CR

MY 外形尺寸 3

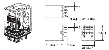
MY2Z、MY2ZN、MY2Z-D、MY2ZN-D2
MY2Z-CR、MY2ZN-CR

MY 外形尺寸 4

MY3、MY3N、MY3-D、MY3N-D2

MY 外形尺寸 5 MY2IN_Dim

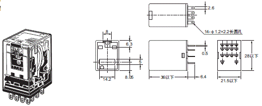
MY4、MY4N、MY4-D、MY4N-D2
MY4-CR、MY4N-CR

MY 外形尺寸 6

MY4Z、MY4ZN、MY4Z-D、MY4ZN-D2
MY4Z-CR、MY4ZN-CR

MY 外形尺寸 7 Socket for MY_Dim1

MY2IN(S)
MY2IN-D2(S)

MY 外形尺寸 8

MY4(Z)IN(S)
MY4(Z)IN-D2(S)
MY4(Z)IN-CR(S)

MY 外形尺寸 9

MY4Z-CBG
MY4ZN-CBG

MY 外形尺寸 10 Socket for MY_Dim5

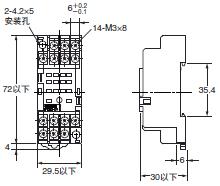
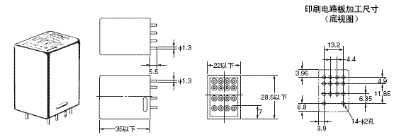
印刷电路板用端子

MY2-02
MY3-02
MY4-02
MY4Z-02

MY 外形尺寸 12

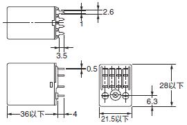
外壳上部安装型

MY2F
MY3F
MY4F
MY4ZF

MY 外形尺寸 14

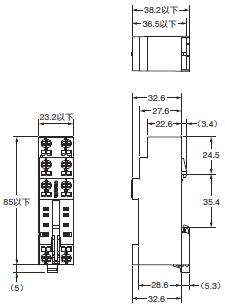
MYK 微型功率闭锁继电器

插入型端子

MY2K

MY 外形尺寸 17

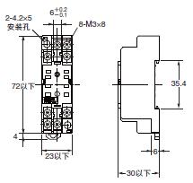
印刷电路板用端子

MY2K-02

MY 外形尺寸 19

MYQ/MYH 密封继电器

插入型端子

塑料密封继电器

MYQ4 (Z) (N)

MY 外形尺寸 23 Socket for MY_Dim7

真空密封继电器

MY4 (Z) H

MY 外形尺寸 25

印刷电路板用端子

塑料密封继电器

MYQ4 (Z) -02

MY 外形尺寸 27 Socket for MY_Dim8

真空密封继电器

MY4 (Z) H-0

MY 外形尺寸 28

共通选装件(另售)

插座安装高度

正面连接插座时

Push-In Plus端子 (PYF-□-PU)

MY 外形尺寸 32

无螺钉端子 (PYF08S、PYF14S)

MY 外形尺寸 33

螺钉端子 (PYFZ-□ (-E)、PYF11A、PYF14T、PYF08M)

MY 外形尺寸 34

背面连接插座时

焊接端子/绕线端子 (PY□)

MY 外形尺寸 36

印刷电路板用端子 (PY□-02)

MY 外形尺寸 37

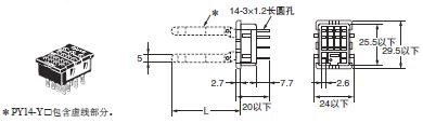
正面连接插座

Push-In Plus端子

PYF-08-PU (-L)

MY 外形尺寸 40

* PYF-08-PU-L中未配备分离杆。

PYF-14-PU (-L)

MY 外形尺寸 41

* PYF-14-PU-L中未配备分离杆。

无螺钉端子

PYF08S

MY 外形尺寸 43

PYF14S

MY 外形尺寸 44

螺钉端子

PYFZ-08

MY 外形尺寸 46

PYFZ-08-E (指触保护结构)

MY 外形尺寸 47

PYF08M

MY 外形尺寸 48

PYF11A

MY 外形尺寸 49

PYFZ-14

MY 外形尺寸 50

PYFZ-14-E (指触保护结构)

MY 外形尺寸 51

PYF14T

MY 外形尺寸 52

背面连接插座

焊接端子

PY08

MY 外形尺寸 55

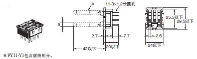
PY11
PY11-Y1

MY 外形尺寸 56

PY14
PY14-Y1
PY14-Y3

MY 外形尺寸 57

绕线端子

PY08QN
PY08QN2
PY08QN2-Y1
PY08QN2-Y3

MY 外形尺寸 59

PY11QN
PY11QN2
PY11QN-Y1
PY11QN2-Y1

MY 外形尺寸 60

PY14QN/PY14QN2
PY14QN-Y1/PY14QN2-Y1
PY14QN-Y3(L=60以下)
PY14QN2-Y3(L=60以下)

MY 外形尺寸 61

印刷电路板用端子

PY08-02

MY 外形尺寸 63

• 非耐助焊剂结构。
建议采用手工焊接。

PY11-02

MY 外形尺寸 64

• 非耐助焊剂结构。
建议采用手工焊接。

PY14-02

MY 外形尺寸 65

• 非耐助焊剂结构。
建议采用手工焊接。

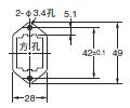
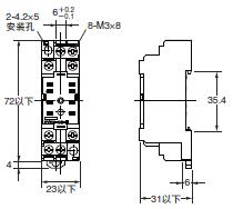
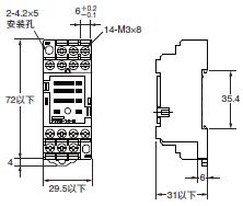
插座用附件

固定支架

PYC-A1 1套(2个)

MY 外形尺寸 68

PYC-E1 1套(2个)

MY 外形尺寸 69

PYC-P

MY 外形尺寸 70

PYC-S 1套(2个)

MY 外形尺寸 71

Y92H-3 1套(2个)

MY 外形尺寸 72

PYC-1

MY 外形尺寸 73

插座安装板

PYP-1

MY 外形尺寸 75

PYP-18

MY 外形尺寸 76

PYP-36

MY 外形尺寸 77

导轨安装用品

支撑导轨

PFP-100N
PFP-50N

MY 外形尺寸 79

终端板

PFP-M

MY 外形尺寸 80

间隔板

PFP-S

MY 外形尺寸 81