Page top

G6D-F4PU / G3DZ-F4PU, G6D-F4B / G3DZ-F4B

终端继电器

G6D-F4PU / G3DZ-F4PU, G6D-F4B / G3DZ-F4B

在4点输出用终端继电器上追加Push-In Plus端子台型

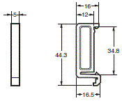
(单位:mm)

本体

G6D-F4PU
G3DZ-F4PU

G6D-F4PU / G3DZ-F4PU, G6D-F4B / G3DZ-F4B 外形尺寸 2

G6D-F4B
G3DZ-F4B

G6D-F4PU / G3DZ-F4PU, G6D-F4B / G3DZ-F4B 外形尺寸 3

选装件(另售)

短接棒

PYDN-7.75-□□(7.75mm)

G6D-F4PU / G3DZ-F4PU, G6D-F4B / G3DZ-F4B 外形尺寸 6

短接棒

G6D-4-SB

G6D-F4PU / G3DZ-F4PU, G6D-F4B / G3DZ-F4B 外形尺寸 8

导轨安装用品

支承导轨
PFP-100N
PFP-50N

G6D-F4PU / G3DZ-F4PU, G6D-F4B / G3DZ-F4B 外形尺寸 10

终端板
PFP-M

G6D-F4PU / G3DZ-F4PU, G6D-F4B / G3DZ-F4B 外形尺寸 11

间隔板
PFP-S

G6D-F4PU / G3DZ-F4PU, G6D-F4B / G3DZ-F4B 外形尺寸 12