Page top

XW2C-20G6-IO16

带有使用共模的2级I/O端子台的接插件端子台转换单元

XW2C-20G6-IO16

可提供共模端子。只需更换短路棒即 可用于PLC输入单元或输出单元。

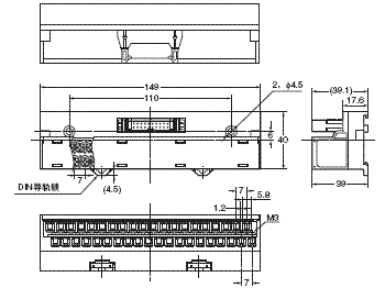
(单位:mm)

XW2C-20G6-IO16

XW2C-20G6-IO16 外形尺寸 2 XW2C-20G6-IO16_Dim
XW2C-20G6-IO16 外形尺寸 3