Page top

2016/03 生产终止

K6EL

漏电继电器

K6EL

低价格,小型高性能。 DIN48×48mm的低压用漏电继电器 (符合JIS C8374标准)

该页面所登载的内容是基于生产终止以前的产品样本制作而成的参考信息,产品的特点/种类/规格/配件等可能与现在所使用的不同。请在使用时确认系统的兼容性及安全性。

(单位:mm)

本体

K6EL

K6EL 外形尺寸 2

适配器安装时的尺寸

Y92F-30 嵌入式安装适配器(另售)

K6EL 外形尺寸 4

Y92F-71 嵌入式安装适配器(另售)

K6EL 外形尺寸 5

插座安装时的尺寸

K6EL 外形尺寸 6

注:使用Y92F-71适配器时,尺寸相同。

连接插座

请使用P2CF-11、P3GA-11、PL11连接插座。
icon_01详情请参见共用插座/DIN导轨相关产品。

相关设备

零相变流器

室内贯通型

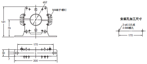
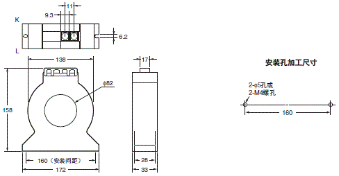
OTG-L21(50A)

K6EL 外形尺寸 11

注: 端子部记有端子符号的一侧为K。

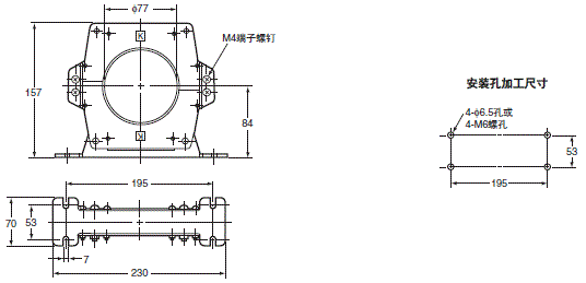
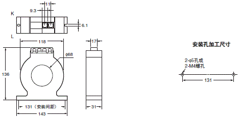
OTG-L30(100A)

K6EL 外形尺寸 12

注: 端子部记有端子符号的一侧为K。

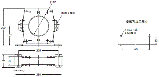
OTG-L30(100A)

K6EL 外形尺寸 13

注: 端子部记有端子符号的一侧为K。

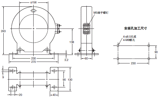
OTG-L68(400A)

K6EL 外形尺寸 14

注: 端子部记有端子符号的一侧为K。

OTG-L82(600A)

K6EL 外形尺寸 15

注: 端子部记有端子符号的一侧为K。

OTG-L156(1,000A)

K6EL 外形尺寸 16

室内分割型

OTG-CN52(200A)

K6EL 外形尺寸 18

OTG-CN77(400A)

K6EL 外形尺寸 19

OTG-CN112(600A)

K6EL 外形尺寸 20