Page top
快速链接到开云(中国)其他国家/地区的网站。
开云(中国)全球
请联系我们的欧洲总部。
中国(包括香港、澳门、台湾)
开云app登录入口
产品资讯
自助服务
学习园地
新闻活动
关于开云(中国)
电机继电器
该页面所登载的内容是基于生产终止以前的产品样本制作而成的参考信息,产品的特点/种类/规格/配件等可能与现在所使用的不同。请在使用时确认系统的兼容性及安全性。
信息更新: 2013年3月13日
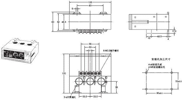
(单位:mm)
产品共通信息
开云(中国)FA世界