Page top

S8T-DCBU-01

模块电源DC备份模块

S8T-DCBU-01

为了防止瞬时停机或停电引起DC24V中断的模 块电源DC备份模块

模块电源DC备份模块S8T-DCBU-01、蓄电池S82Y-BAT系列、蓄电池座 S82Y-TS01预定于2021年12月底订货截止。

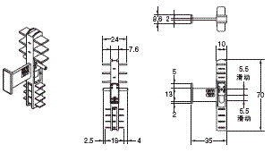
(单位:mm)

本体

DC备份模块(本体)

S8T-DCBU-01

S8T-DCBU-01 外形尺寸 4 S8T-DCBU-01_dim

总线连接器

S8T-BUS03

S8T-DCBU-01 外形尺寸 7 S8T-BUS03_dim

蓄电池座

S82Y-TS01

S8T-DCBU-01 外形尺寸 10 S8T-TS01_dim

导轨安装用另售件

支承导轨(铝制)

PFP-100N
PFP-50N

S8T-DCBU-01 外形尺寸 13

支承导轨(铝制)

PFP-100N2

S8T-DCBU-01 外形尺寸 16

固定支架(终端板)

PFP-M

S8T-DCBU-01 外形尺寸 18

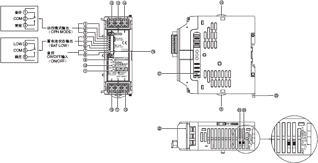
部分名称

DC备份模块(本体)

S8T-DCBU-01

S8T-DCBU-01 外形尺寸 22

(1)备份:动作模式输出继电器
(2)COM:动作模式输出继电器
(3)常规:动作模式输出继电器
(4)LOW:蓄电池状态输出继电器
(5)COM:蓄电池状态输出继电器
(6)OK:蓄电池状态输出继电器
(7)ON/OFF:备份ON/OFF输入
(8)GND:备份ON/OFF输入
(9)输出指示灯(DC ON:绿色)
(10)备份状态指示灯(BACKUP:红色)
(11)蓄电池状态指示灯(BAT LOW:红色)
(12)蓄电池连接端子(−)
(13)NC
(14)蓄电池连接端子(+)
(15)滑片
(16)短接片
(17)直流输出端子(−V)
(18)NC
(19)直流输出端子(+V)
(20)导轨制动器
(21)总线连接器连接部
(22)端子盖
(23)充电电压切换开关
(24)过电流保护动作点切换开关

总线连接器

S8T-BUS03

S8T-DCBU-01 外形尺寸 25

①选择器
806_sp_1_114-152040(GR)总线连接器端子
③NC
④直流(+V)总线连接器端子
⑤直流(−V)总线连接器端子

蓄电池座

S82Y-TS01

S8T-DCBU-01 外形尺寸 29

①蓄电池托盘
②保险丝
③端子台
④开关
⑤蓄电池A(另售)
⑥蓄电池B(另售)
⑦保护盖