Page top

DCA2 / DCN3 / XS4

DeviceNet用连接器

DCA2 / DCN3 / XS4

耐环境连接产品

XS4系列预定于2025年3月底订货截止。

(单位:mm)

用于耐环境从站的外围设备

用于DeviceNet通信的外围设备

耐环境连接产品(针对细电缆、M12微型连接器)

两端都有连接器的电缆
DCA1-5CN□□W1

DCA2 / DCN3 / XS4 外形尺寸 5 DCA1-5CN[][]W1_Dim

一端有连接器的电缆(插座)
DCA1-5CN□□F1

DCA2 / DCN3 / XS4 外形尺寸 7 DCA1-5CN[][]F1_Dim

一端有连接器的电缆(插头)
DCA1-5CN□□H1

DCA2 / DCN3 / XS4 外形尺寸 9 DCA1-5CN[][]H1_Dim

T分支连接器
DCN2-1

DCA2 / DCN3 / XS4 外形尺寸 11 DCN2-1_Dim

带终端电阻的连接器
DRS2-1(插头)
DRS2-2(插座)

DCA2 / DCN3 / XS4 外形尺寸 13 DRS2-1_Dim

注: 图显示DRS2-1 (插头)。

带0.5m电缆的面板安装连接器(插座)
DCA1-5CNC5P1

DCA2 / DCN3 / XS4 外形尺寸 16 DCA1-5CNC5P1_Dim

带焊杯触点终端的面板安装连接器(插座)
XS2P-D522-2

DCA2 / DCN3 / XS4 外形尺寸 18 XS2P-D522-2_Dim

带0.5m电缆的面板安装连接器(插头)
DCA1-5CNC5M1

DCA2 / DCN3 / XS4 外形尺寸 20 DCA1-5CNC5M1_Dim

带焊杯触点终端的面板安装连接器(插座)
XS2M-D524-4

DCA2 / DCN3 / XS4 外形尺寸 22 XS2M-D524-4_Dim

耐环境型号(针对细电线和M12微型连接器)

两端都有连接器的电缆
DCA1-5CS□□W1

DCA2 / DCN3 / XS4 外形尺寸 25 DCA1-5CS[][]W1_Dim

一端有连接器的电缆(插座)
DCA1-5CS□□F1

DCA2 / DCN3 / XS4 外形尺寸 27 DCA1-5CS[][]F1_Dim

一端有连接器的电缆(插头)
DCA1-5CS□□H1

DCA2 / DCN3 / XS4 外形尺寸 29 DCA1-5CS[][]H1_Dim

T分支连接器
DCN2-1S

DCA2 / DCN3 / XS4 外形尺寸 31 DCN2-1S_Dim

带终端电阻的连接器
DRS2-1S(插头)
DRS2-2S(插座)

DCA2 / DCN3 / XS4 外形尺寸 33 DRS2-1S_Dim

注: 图显示DRS2-1 (插头)。

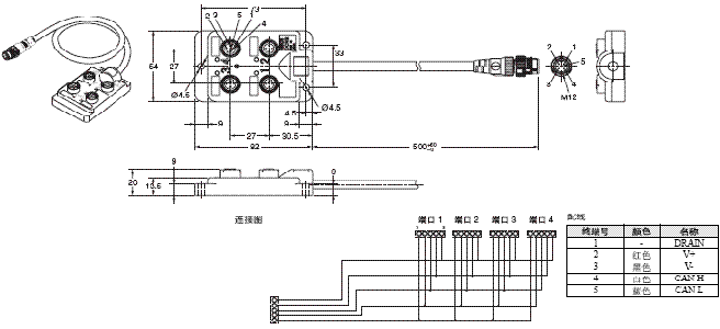
带4个端口的屏蔽分支继电器箱
DCN2-S4C5H1

DCA2 / DCN3 / XS4 外形尺寸 36 DCN2-S4C5H1_Dim

带8个端口的屏蔽分支继电器箱
DCN2-S8C5H1

DCA2 / DCN3 / XS4 外形尺寸 38 DCN2-S8C5H1_Dim

针对粗电线、带7/8-16UN微型连接器的耐环境型号

两端都有连接器的粗电缆(通信用5根导线)
DCA2-5CN□□W1

DCA2 / DCN3 / XS4 外形尺寸 41 DCA2-5CN[][]W1_Dim

一端有连接器插座的粗电缆(通信用5根导线)
DCA2-5CN□□F1

DCA2 / DCN3 / XS4 外形尺寸 43 DCA2-5CN[][]F1_Dim

一端有连接器插头的粗电缆(通信用5根导线)
DCA2-5CN□□H1

DCA2 / DCN3 / XS4 外形尺寸 45 DCA2-5CN[][]H1_Dim

两端都有连接器的细电缆(通信用5根导线)
DCA1-5CN□□W5

DCA2 / DCN3 / XS4 外形尺寸 47 DCA1-5CN[][]W5_Dim

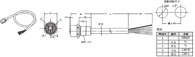
一端有面板安装连接器插座的细电缆(通信用5根导线)
DCA2-5CNC5P1

DCA2 / DCN3 / XS4 外形尺寸 49 DCA2-5CNC5P1_Dim

注: 含有用于面板安装的橡胶密封件和螺母。

带0.5m电缆的面板安装连接器(插头)
DCA2-5CNC5M1

DCA2 / DCN3 / XS4 外形尺寸 52 DCA2-5CNC5M1_Dim

注: 含有螺母。

T分支连接器(通信用5根导线,粗电线分支线路)
DCN3-11

DCA2 / DCN3 / XS4 外形尺寸 55 DCN3-11_Dim

T分支连接器(通信用5根导线,细电线分支线路)
DCN3-12

DCA2 / DCN3 / XS4 外形尺寸 57 DCN3-12_Dim

带终端电阻的连接器(插头)
DRS3-1

DCA2 / DCN3 / XS4 外形尺寸 59 DRS3-1_Dim

面板安装连接器(通信用5个插针)
XS4M-D521-1

DCA2 / DCN3 / XS4 外形尺寸 61 XS4M-D521-1_Dim

注: 含有用于面板安装的橡胶密封件和螺母。