Page top

E2EC

放大器中继接近传感器

E2EC

实现了超小型长距离检测

(单位:mm)

本体

E2EC-CR8D□

E2EC 外形尺寸 3 E2EC-CR8D□_Dim

E2EC-C1R5D□

E2EC 外形尺寸 5 E2EC-C1R5D□_Dim

E2EC-C3D□

E2EC 外形尺寸 7 E2EC-C3D□_Dim

E2EC-X4D□

E2EC 外形尺寸 9 E2EC-X4D□_Dim

安装孔加工尺寸

E2EC 外形尺寸 11 E2EC_Dim1

E2EC-CR5C1

E2EC 外形尺寸 13 E2EC-CR5C1_Dim

E2EC-C2R5C1

E2EC 外形尺寸 15 E2EC-C2R5C1_Dim

安装孔加工尺寸

E2EC 外形尺寸 17 E2EC_Dim2

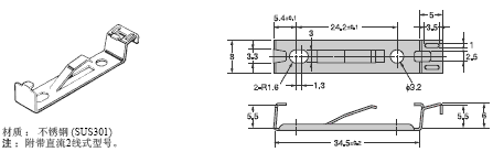
安装支架

E2EC 外形尺寸 19 E2EC_Dim3

附件(另售)

安装支架(φ5.4用)
Y92E-F5R4

E2EC 外形尺寸 22 E2EC_Dim4