Page top

EE-SPY31 / 41

限定反射型接插件型

EE-SPY31 / 41

即使检测物体的背景中存在不锈钢等 镜面体,也能稳定检测工件

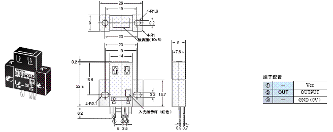
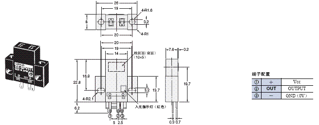
(单位:mm)

本体

EE-SPY311
EE-SPY411

EE-SPY31 / 41 外形尺寸 3 EE-SPY311_Dim

EE-SPY312
EE-SPY412

EE-SPY31 / 41 外形尺寸 5 EE-SPY312_Dim

附件(另售)

详情请参见Catalog。