Page top

EE-SPX301 / 401, EE-SPY30 / 40

凹槽型· 反射型接插件型

EE-SPX301 / 401, EE-SPY30 / 40

抗环境干扰光的变调光式

(单位:mm)

本体

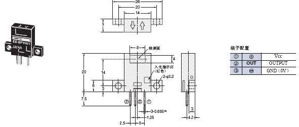
EE-SPX301
EE-SPX401

EE-SPX301 / 401, EE-SPY30 / 40 外形尺寸 3 EE-SPX301_Dim

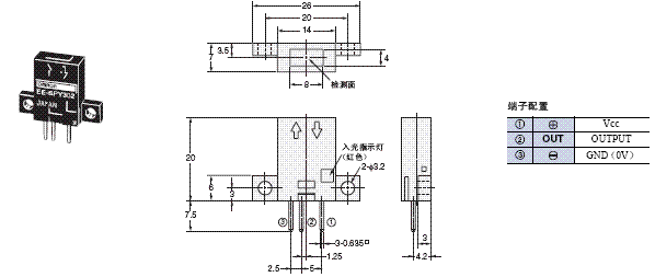
EE-SPY301
EE-SPY401

EE-SPX301 / 401, EE-SPY30 / 40 外形尺寸 5 EE-SPY301_Dim

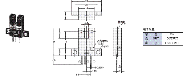
EE-SPY302
EE-SPY402

EE-SPX301 / 401, EE-SPY30 / 40 外形尺寸 7 EE-SPY302_Dim

附件(另售)

详情请参见Catalog。