Page top

EE-SPX74 / SPX84

凹槽型接插件型(变调光)

EE-SPX74 / SPX84

抗干扰光的变调光, 易维护的接插件型

(单位:mm)

本体

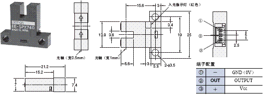
EE-SPX740
EE-SPX840

EE-SPX74 / SPX84 外形尺寸 3 EE-SPX740_Dim

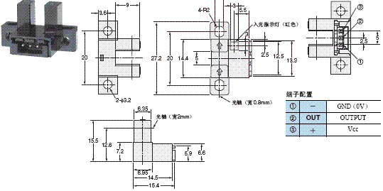
EE-SPX742
EE-SPX842

EE-SPX74 / SPX84 外形尺寸 5 EE-SPX742_Dim

EE-SPX743
EE-SPX843

EE-SPX74 / SPX84 外形尺寸 7 EE-SPX743_Dim

EE-SPX741
EE-SPX841

EE-SPX74 / SPX84 外形尺寸 9 EE-SPX741_Dim

附件(带导线的接插件)

EE-1013

EE-SPX74 / SPX84 外形尺寸 12 EE-1013_Dim