Page top

E3T

超小型、超薄型的放大器内置型光电传感器

E3T

E3T系列升级型,安装、设置更简 单!更快速!

(单位:mm)

本体

M2安装型

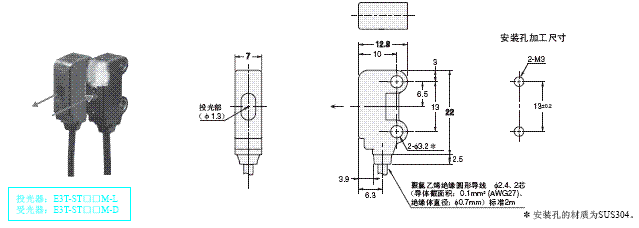
对射型(侧视型)
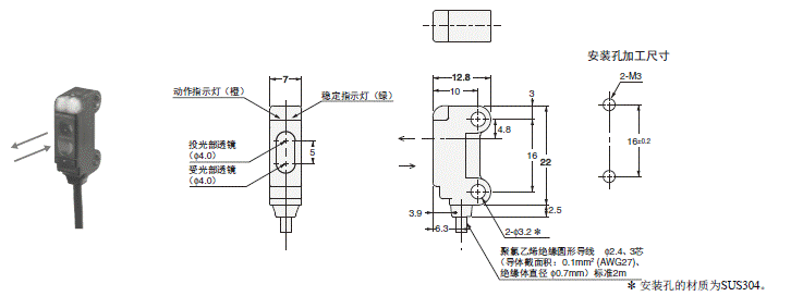
E3T-ST1□(投光器)
E3T-ST2□(投光器)
E3T-ST3□(投光器)

E3T 外形尺寸 4

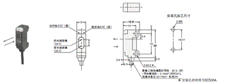
E3T-ST1□ (受光器)
E3T-ST2□(受光器)
E3T-ST3□ (受光器)

E3T 外形尺寸 5

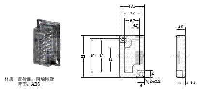
对射型(扁平型)
E3T-FT1□(投光器)
E3T-FT2□(投光器)

E3T 外形尺寸 6

E3T-FT1□(受光器)
E3T-FT2□ (受光器)

E3T 外形尺寸 7

回归反射型(侧视型)
E3T-SR4□

E3T 外形尺寸 8

扩散反射型(扁平型)
E3T-FD1□

E3T 外形尺寸 10

限定反射型(侧视型)
E3T-SL1□
E3T-SL2□

E3T 外形尺寸 11

BGS型(扁平型)
E3T-FL1□
E3T-FL2□

E3T 外形尺寸 12

M3安装型

对射型(侧视型)
E3T-ST1□M (投光器)
E3T-ST2□M (投光器)

E3T 外形尺寸 14

E3T-ST1□M (受光器)
E3T-ST2□M (受光器)

E3T 外形尺寸 15

扩散反射型(扁平型)
E3T-FD1□M

E3T 外形尺寸 16

限定反射型(侧视型)
E3T-SL1□M
E3T-SL2□M

E3T 外形尺寸 17

小型圆柱型

对射型(顶视型)

E3T 外形尺寸 19

对射型(侧视型)

E3T 外形尺寸 20

扩散反射型(顶视型)
E3T-CD1□

E3T 外形尺寸 21

附件

反射板<E3T-SR4□的附件>
E39-R4

E3T 外形尺寸 23

反射板<E3T-SR4□-S的附件>
E39-R37-CA

E3T 外形尺寸 24

附件(另售)

胶带型反射板
E39-RS1-CA

E3T 外形尺寸 26

E39-RS2-CA

E3T 外形尺寸 27

E39-RS3-CA

E3T 外形尺寸 28

狭缝板(对射型 E3T-ST□□用)
E39-S63

E3T 外形尺寸 29

狭缝板(对射型 E3T-FT□□用)
E39-S64

E3T 外形尺寸 30

φ0.5狭缝板(对射型 E3T-ST□□M用)
E39-S76A

E3T 外形尺寸 31

φ1狭缝板(对射型 E3T-ST□□M用)
E39-S76B

E3T 外形尺寸 32

灵敏度调整单元 (对射型 E3T-ST1□/ST3□用)
E39-E10

E3T 外形尺寸 33

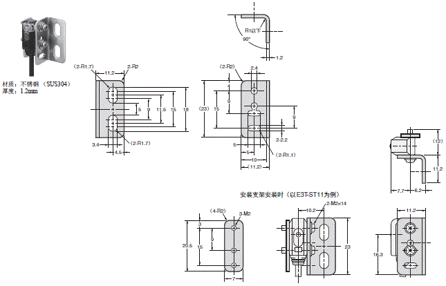
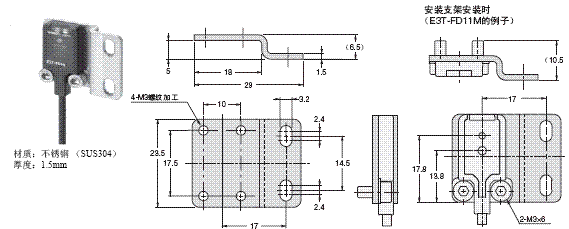
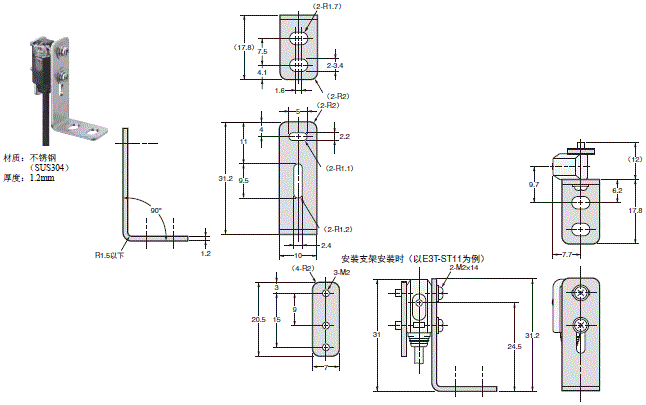
安装支架(M2安装侧视型用)
E39-L116

E3T 外形尺寸 34

安装支架(M2安装侧视型用)
E39-L117

E3T 外形尺寸 35

安装支架(M2安装侧视型用)
E39-L118

E3T 外形尺寸 36

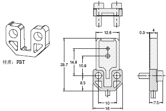
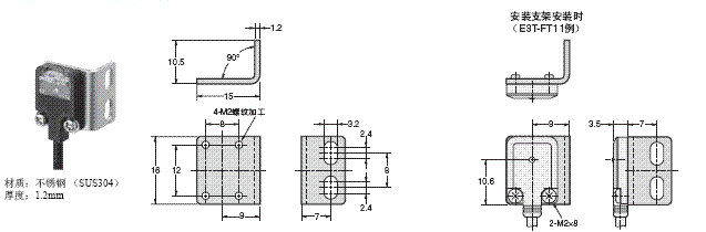
安装支架(M2安装扁平型用)
E39-L119

E3T 外形尺寸 37

安装支架(M2安装扁平型用)
E39-L120

E3T 外形尺寸 38

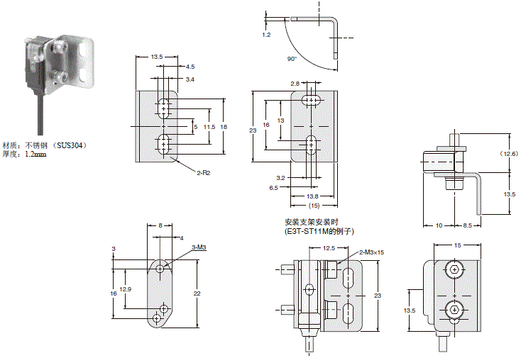
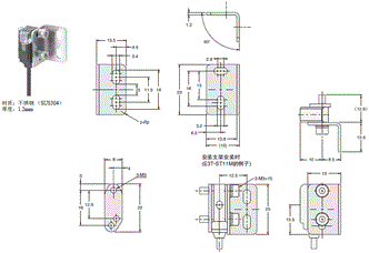
安装支架(M3安装侧视型用)
E39-L166

E3T 外形尺寸 39

安装支架(M3安装扁平型用)
E39-L167

E3T 外形尺寸 40

安装用隔板(M3安装扁平型用)
E39-L168

E3T 外形尺寸 41

注: 用于从背面安装时。