Page top

E5CD-H

温控器 (数字温控器) 高性能型 (48 x 48 mm)

E5CD-H

可实现高分辨率和高精度输入。搭载专门面向数字行业的功能。采用Push-In Plus端子台可削减配线工时。

(单位:mm)


本体

E5CD-H

E5CD-H 外形尺寸 3

设定工具用端口位于本产品的顶面。
使用设定工具时,用于连接计算机与温控器。
连接时,需要专用的USB-串行转换电缆(E58-CIFQ2)。
详细的连接方法请参照USB-串行转换电缆的使用说明书。

注. 请勿在连接USB-串行转换电缆的状态下使用本产品。

E5CD-H 外形尺寸 4

• 安装面板的厚度为1~5mm。
• 请注意,上下方向无法紧密安装。(请保持安装间隔)
• 若需要防水,安装时请向本体插入防水垫。
• 安装使用多台温控器时,请避免使温控器的环境温度超过规格值。
• 组合使用Y92A-48N和USB-串行转换电缆时,请将控制柜的厚度控制在1~3mm以内。
• 组合使用Y92S-P8和USB-串行转换电缆时,请将控制柜的厚度控制在1~3mm以内。

选装件(另售)

USB-串行转换电缆

E58-CIFQ2

E5CD-H 外形尺寸 6

防水垫

Y92S-P8〔DIN48×48用〕

E5CD-H 外形尺寸 8

产品随附。
防水垫遗失、损坏时,请另行订购。
使用防水垫时,防水防尘等级为IP66。
(为确保达到IP66的防水等级,防水垫会因使用环境发生老化、收缩或硬化,因此建议定期更换。
定期更换时期因使用环境而异。请用户自行确认。大致以3年以下为更换标准。)

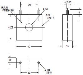
电流检测器

E54-CT1

E5CD-H 外形尺寸 10

E54-CT1L

E5CD-H 外形尺寸 11

贯通电流 (Io) 与输出电压 (Eo) 特性 (参考值)
E54-CT1、E54-CT1L

加热器最大连续电流:50A(50/60Hz)
匝数:400±2匝
绕线电阻:18±2Ω

E5CD-H 外形尺寸 13

E54-CT3

E5CD-H 外形尺寸 14

E54-CT3附件

E5CD-H 外形尺寸 15

E54-CT3L

E5CD-H 外形尺寸 16

贯通电流 (Io) 与输出电压 (Eo) 特性 (参考值)
E54-CT3、E54-CT3L

加热器最大连续电流:120A(50/60Hz)
(但是,开云(中国)温控器的连续最高加热器电流值为50A。)
匝数:400±2匝
绕线电阻:8±0.8Ω

E5CD-H 外形尺寸 18

适配器

Y92F-45


1. 请在面板加工为E5B□尺寸时使用。
2. 适配器的颜色为黑色。
3. 使用Y92F-45时,无法使用USB-串行转换电缆 E58-CIFQ2。
      通过USB-串行转换电缆进行设定时,请在安装面板前进行设定。
4. 无法组合使用本体随附的Y92F-49。

E5CD-H 外形尺寸 20

〈安装示例〉

E5CD-H 外形尺寸 21

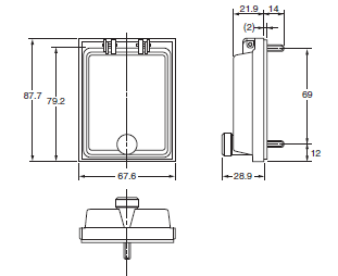
防水盖

Y92A-48N

E5CD-H 外形尺寸 22

安装适配器

Y92F-49

E5CD-H 外形尺寸 24

产品随附。
遗失、损坏时,请另行订购。

前盖

Y92A-48D

注. 无法在安装了防水垫的状态下使用。

E5CD-H 外形尺寸 27

软质型前盖。
可在装有罩盖的状态下操作产品。

前盖

Y92A-48H

E5CD-H 外形尺寸 29

硬质型前盖。
请用于防止误操作等。