Page top

D40A-2

非接触式安全门开关

D40A-2

以强大的安全性/耐环境性 满足形形色色的设备要求

(单位:mm)


非接触式安全门开关(开关/执行器)

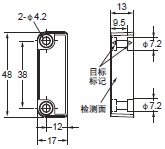
D40A-2C□/2D□
D40A-2C015-F

D40A-2 外形尺寸 1

开关

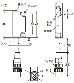
D40A-S2C□/S2D□

D40A-2 外形尺寸 2

D40A-S2C015-F

D40A-2 外形尺寸 3

执行器

D40A-A2

D40A-2 外形尺寸 4

附件(另售)

带电缆的接插件

带M12接插件的电缆(单侧接插件)
XS2F-D521-DG0-A (L=2m)
XS2F-D521-GG0-A (L=5m)
XS2F-D521-JG0-A (L=10m)
XS2F-D521-KG0-A (L=15m)
XS2F-D521-LG0-A (L=20m)

D40A-2 外形尺寸 7

带M12接插件的电缆(两侧接插件)
XS2W-D521-DG1-A (L=2m)
XS2W-D521-GG1-A (L=5m)
XS2W-D521-JG1-A (L=10m)
XS2W-D521-KG1-A (L=15m)
XS2W-D521-LG1-A (L=20m)

D40A-2 外形尺寸 8

注. 详情请参见“XS2样本”。