Page top
快速链接到开云(中国)其他国家/地区的网站。
开云(中国)全球
请联系我们的欧洲总部。
中国(包括香港、澳门、台湾)
开云app登录入口
产品资讯
自助服务
学习园地
新闻活动
关于开云(中国)
内置放大器光电传感器
信息更新: 2024年9月4日
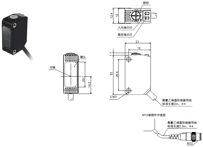
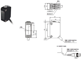
(单位:mm)
导线引出型/连接器中继型 E3ZG-T□□-P E3ZG-R□□-P E3ZG-L□□-P
E3ZG-LS□□T-P
E3ZG-LS□□-P□□ E3ZG-LS□□L-P□□
E3ZG-TF□□□-P□□
产品共通信息
开云(中国)FA世界