Page top

TM S系列

开云(中国)S系列协作机器人

TM S系列

S系列协作机器人(Cobot)适用于组装、码垛、质检、物流以及许多其它应用

(单位:mm)


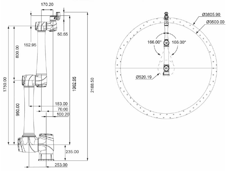
TM7S/TM7S-X/TM7S-M *

TM S系列 外形尺寸 1

TM5S/TM5S-X/TM5S-M *

TM S系列 外形尺寸 2

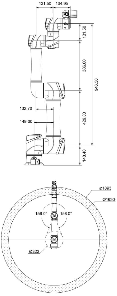
TM12S/TM12S-X/TM12S-M *

TM S系列 外形尺寸 3

TM14S/TM14S-X/TM14S-M *

TM S系列 外形尺寸 4

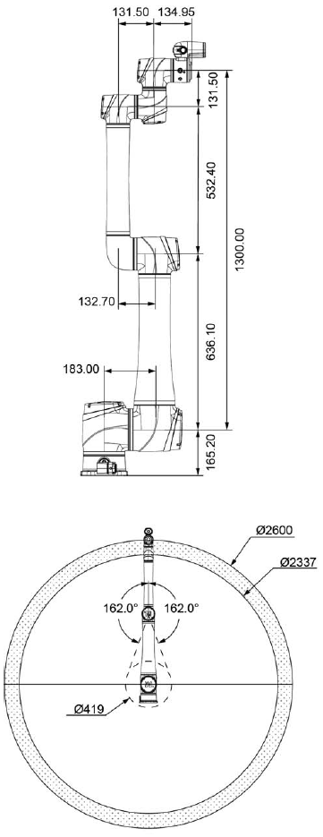
TM25S/TM25S-X/TM25S-M *

TM S系列 外形尺寸 5

* 外形尺寸不包括相机。更多信息请参见规格书的相机法兰尺寸。

底座尺寸 (TM5S/7S)

TM S系列 外形尺寸 7

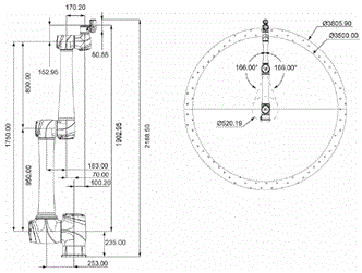
底座尺寸 (TM12S/14S)

TM S系列 外形尺寸 8

底座尺寸(TM25S)

TM S系列 外形尺寸 9

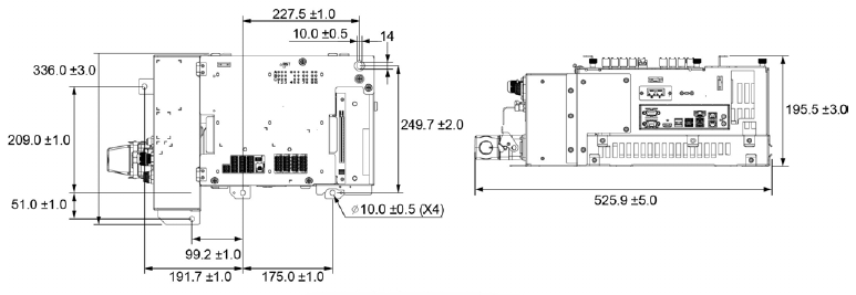
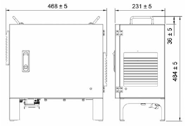
TM5S/7S/12S/14S 控制柜 (AC)

TM S系列 外形尺寸 10

相机法兰

TM S系列 外形尺寸 11

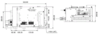
TM5S/7S/12S/14S 控制柜 (DC)

TM S系列 外形尺寸 12

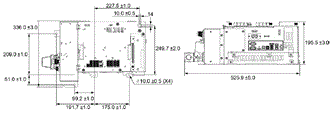
TM5S/7S/12S/14S 控制柜 (DC SEMI)

TM S系列 外形尺寸 13

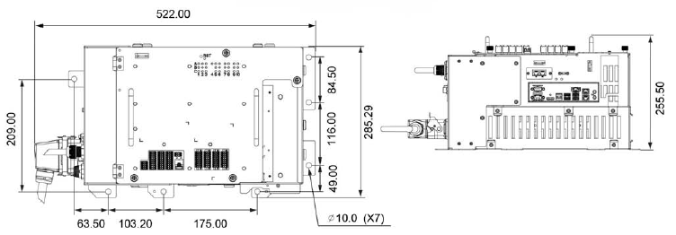
TM25S 控制柜 (AC)

TM S系列 外形尺寸 14

TM25S 控制柜 (DC)

TM S系列 外形尺寸 15