Page top

D41L

高编码电磁锁定安全门开关

D41L

一款适用于卫生设备的安全门开关

(单位:mm)

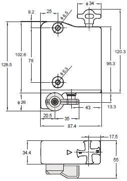
传感器(本体)

D41L-□□D□-N2

D41L 外形尺寸 2

D41L-□□D□E-N2

D41L 外形尺寸 3

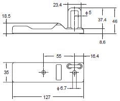
触发器(另售)

D41L-A1

D41L 外形尺寸 5

附件(另售)

安装板

D41L-MP

D41L 外形尺寸 8