Page top

iX4

并联机器人 EtherCAT(NJ501-R)版

iX4

四轴并联机器人——具备高速与高精度性能

机器人集成开云app登录入口系统配置

机器人控制器

iX4 系统构成 2

基本配置

iX4 系统构成 3

视觉跟踪机器人系统

iX4 系统构成 4
iX4 系统构成 5

传送带跟踪机器人系统

iX4 系统构成 6
iX4 系统构成 7

独立型机器人系统配置

内置控制器的放大器

iX4 系统构成 9

基本配置

由eAIB/eMotionBlox控制

iX4 系统构成 11

由SmartController EX控制

iX4 系统构成 12

视觉跟踪机器人系统

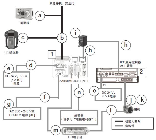
由eAIB/eMotionBlox控制,带IPC应用控制器(使用视觉系统时)

iX4 系统构成 14
iX4 系统构成 15

由SmartController EX控制(使用视觉系统时)

iX4 系统构成 16
iX4 系统构成 17

传送带跟踪机器人系统

由eAIB/eMotionBlox控制,带IPC应用控制器(使用视觉系统时)

iX4 系统构成 19
iX4 系统构成 20

由SCEX控制,带IPC应用控制器(使用视觉系统时)

iX4 系统构成 21
iX4 系统构成 22

2台机器人由SCEX控制,带IPC应用控制器(使用视觉系统时)

iX4 系统构成 23
iX4 系统构成 24

连接编码器

SmartController EX

iX4 系统构成 26

eAIB/eMotionBlox/iCS

iX4 系统构成 27