Page top

i4H

SCARA机器人 EtherCAT(NJ501-R)版

i4H

用于精密加工、装配和物料搬运的全新i4H机器人

(单位:mm)

i4-650H/750H/850H

i4 650 H

i4H 外形尺寸 2

i4 750H

i4H 外形尺寸 3

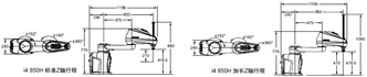
i4 850H

i4H 外形尺寸 4

前面板

i4H 外形尺寸 5

工具法兰

i4H 外形尺寸 6

安装法兰

i4H 外形尺寸 7

i4-650H/750H/850H Inverted

i4 650 H

i4H 外形尺寸 9

i4 750H

i4H 外形尺寸 10

i4 850H

i4H 外形尺寸 11

前面板

i4H 外形尺寸 12

工具法兰

i4H 外形尺寸 13

安装法兰

i4H 外形尺寸 14