Page top

MicroHAWK F430-F/F420-F系列

智能相机

MicroHAWK F430-F/F420-F系列

全集成视觉系统。

F420-F系列部分产品、F430-F系列部分产品已于2022年1月底订货截止

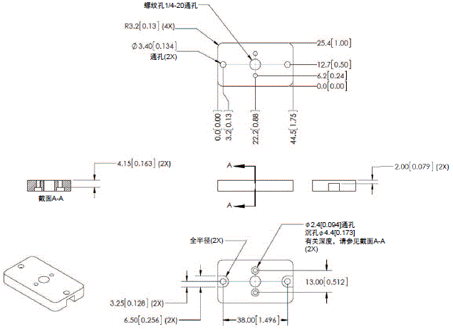
(单位:mm)

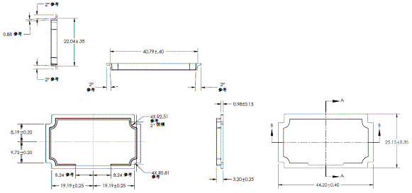
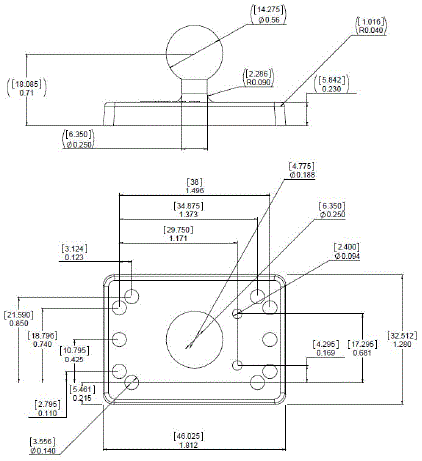
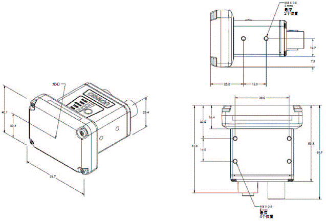
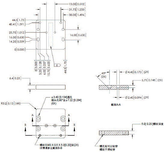
F430-F

F430-F

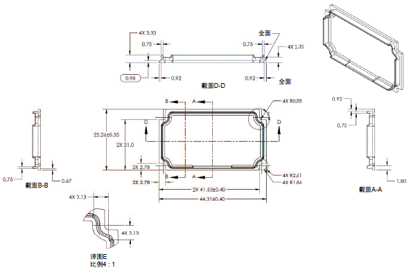
带备用光学和照明器件的F430-F

MicroHAWK F430-F/F420-F系列 外形尺寸 3

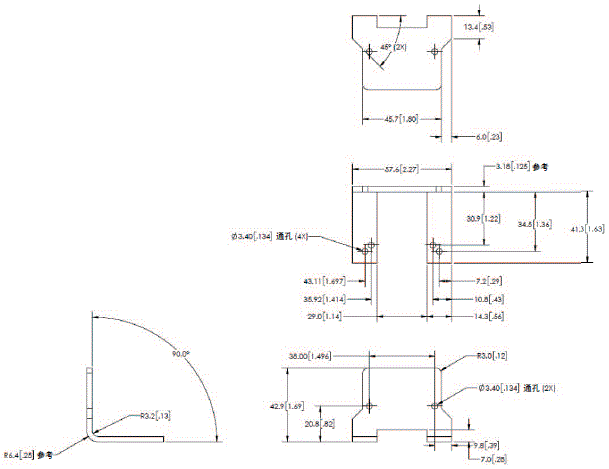
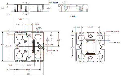
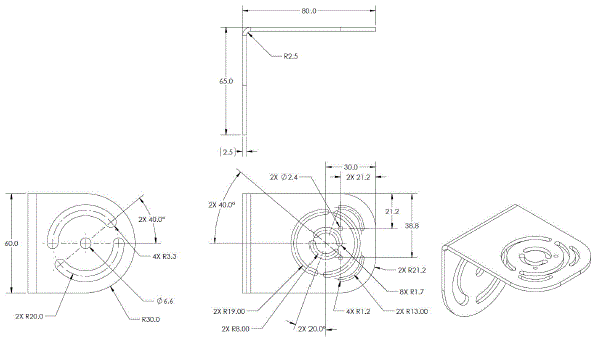
L型支架角度可调安装套件
V430-AM0

MicroHAWK F430-F/F420-F系列 外形尺寸 4

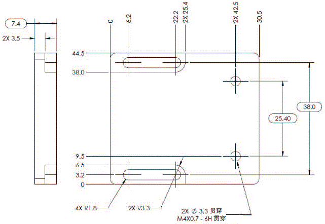
¼-20相机安装座套件
V430-AM1

MicroHAWK F430-F/F420-F系列 外形尺寸 5

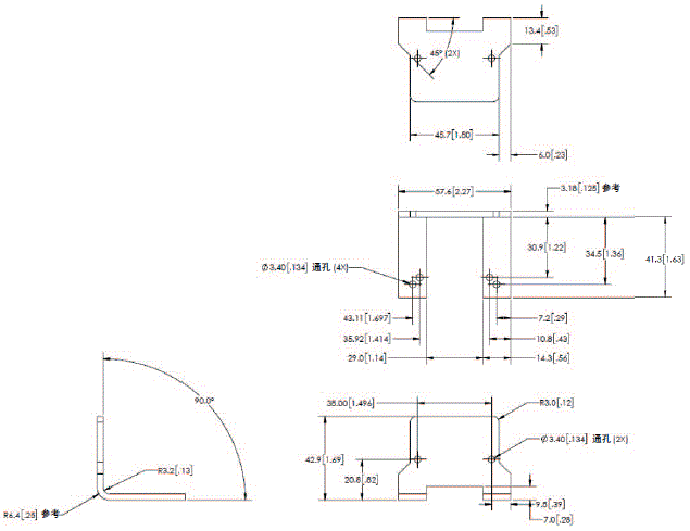
4" (102 mm)RAM Mount支架
V430-AM2

MicroHAWK F430-F/F420-F系列 外形尺寸 6

MS-4 / MINI至V/F4XX-F转接板
V430-AM5

MicroHAWK F430-F/F420-F系列 外形尺寸 7

智能环形灯至V/F4XX-F安装支架
V430-AM6

MicroHAWK F430-F/F420-F系列 外形尺寸 8

QX / Vision HAWK至V/F4XX-F转接板
V430-AM7

MicroHAWK F430-F/F420-F系列 外形尺寸 9

前窗安装套件
V430-AF10
扩散板安装套件
V430-AF11
偏振片安装套件
V430-AF12
钇铝石榴石滤波器安装套件
V430-AF4
静电安全窗安装套件
V430-AF5

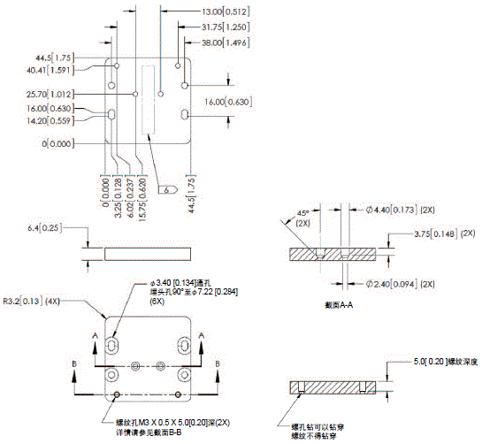
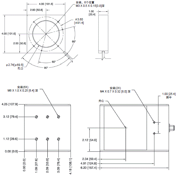
MicroHAWK F430-F/F420-F系列 外形尺寸 10

直角镜安装套件
V430-AF3

MicroHAWK F430-F/F420-F系列 外形尺寸 11

QX-1互连模块 – 电源,触发器,智能照明控制接口
98-000103-02

MicroHAWK F430-F/F420-F系列 外形尺寸 12

QX-1光电传感器, M12 4针插头, NPN – 2米 – 入光时ON/遮光时ON
99-9000016-01

MicroHAWK F430-F/F420-F系列 外形尺寸 13

适用于任意触发器源或光电传感器的QX-1支持现场接线的M12 4针插头 – 螺钉式端子台
98-9000239-01

MicroHAWK F430-F/F420-F系列 外形尺寸 14

电源, 100-240VAC, +24VDC, M12 12 针插座 – 1 米 – 美式/ 欧式插头
97-000012-01

MicroHAWK F430-F/F420-F系列 外形尺寸 15

开云(中国)Microscan智能照明系列 – 电源和闪光灯控制集成模块
请参见开云(中国)Microscan智能照明产品 – 环形灯、散射同轴光源、大面积照明

MicroHAWK F430-F/F420-F系列 外形尺寸 16

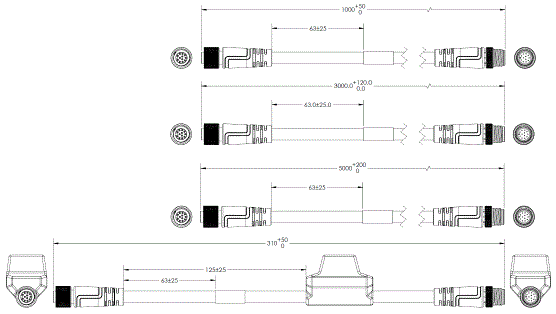
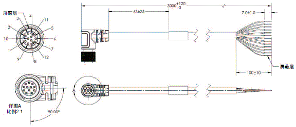
以太网通信电缆 - 直线型接插件 – 1 米、3 米或5 米
相机上M12插头至RJ45连接器
V430-WE-1M
V430-WE-3M
V430-WE-5M

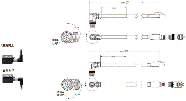
MicroHAWK F430-F/F420-F系列 外形尺寸 17

以太网通信电缆 – 直角M12 连接器 – 3 米
相机上M12插头至RJ45连接器
V430-WELU-3M(直角向上)*
V430-WELD-3M(直角向下)*

MicroHAWK F430-F/F420-F系列 外形尺寸 18

相机至QX-1 互联电缆 – 1 米、3 米或5 米
M12 插座至M12 插头
QX-1用作公共端IO信号和电源的接口模块
V430-WQ-1M
V430-WQ-3M
V430-WQ-5M

M12插座至M12插头,带电源滤波器 – 300 mm
V430-WQF-1M

MicroHAWK F430-F/F420-F系列 外形尺寸 19

QX-1 M12 至智能照明电源和闪光灯控制电缆 – 3 米
QX-1上的M12插头至灯上的5针插座
61-000204-01(连续功率)
61-000218-01(闪光灯控制)

MicroHAWK F430-F/F420-F系列 外形尺寸 20

Y 型电缆,相机/ 电源和智能照明电源( 持续开启)– 1 米
61-9000135-01

Y 型电缆,相机/ 电源和智能照明闪光灯控制 – 1 米
61-9000137-01

MicroHAWK F430-F/F420-F系列 外形尺寸 21

M12至跨线电缆,直线型电源, IO, RS-232, USB – 3米或5米
V430-W8-3M
V430-W8-5M

MicroHAWK F430-F/F420-F系列 外形尺寸 22

M12至跨线电缆,带电源滤波器 – 3米或5米
V430-W8F-3M
V430-W8F-5M

MicroHAWK F430-F/F420-F系列 外形尺寸 23

M12至跨线电缆,直角向上电源, IO, RS-232, USB – 3米
V430-W8LU-3M

MicroHAWK F430-F/F420-F系列 外形尺寸 24

M12至直角向上跨线电缆,带电源滤波器 – 3米
V430-W8LUF-3M

MicroHAWK F430-F/F420-F系列 外形尺寸 25

M12至跨线电缆,直角向下电源, IO, RS-232, USB – 3米
V430-W8LD-3M

MicroHAWK F430-F/F420-F系列 外形尺寸 26

M12至直角向下跨线电缆,带电源滤波器 – 3米
V430-W8LDF-3M

MicroHAWK F430-F/F420-F系列 外形尺寸 27

M12至RS-232接口 – 1米或3米
V430-WR-1M
V430-WR-3M

MicroHAWK F430-F/F420-F系列 外形尺寸 28

相机至QX-1互联电缆,带RS-232接口 – 2.7米
V430-WQR-3M

MicroHAWK F430-F/F420-F系列 外形尺寸 29

相机至QX-1互联电缆,带USB键盘楔接口 – 2.7米
V430-WQK-3M

MicroHAWK F430-F/F420-F系列 外形尺寸 30

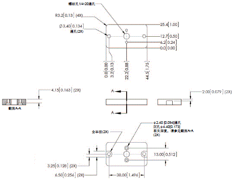
带NIST 可追溯测量报告的AutoVISION 验证校准卡
98-000265-01
98-000265-02

MicroHAWK F430-F/F420-F系列 外形尺寸 31

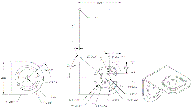
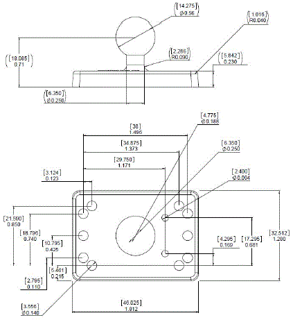
F420-F

MicroHAWK F430-F/F420-F系列 外形尺寸 33

L型支架角度可调安装套件
V430-AM0

MicroHAWK F430-F/F420-F系列 外形尺寸 34

¼-20相机安装座套件
V430-AM1

MicroHAWK F430-F/F420-F系列 外形尺寸 35

4" (102 mm)RAM Mount支架
V430-AM2

MicroHAWK F430-F/F420-F系列 外形尺寸 36

MS-4 / MINI至V/F4XX-F转接板
V430-AM5

MicroHAWK F430-F/F420-F系列 外形尺寸 37

智能环形灯至V/F4XX-F安装支架
V430-AM6

MicroHAWK F430-F/F420-F系列 外形尺寸 38

QX / Vision HAWK至V/F4XX-F转接板
V430-AM7

MicroHAWK F430-F/F420-F系列 外形尺寸 39

前窗安装套件
V430-AF10
扩散板安装套件
V430-AF11
偏振片安装套件
V430-AF12
钇铝石榴石滤波器安装套件
V430-AF4
静电安全窗安装套件
V430-AF5

MicroHAWK F430-F/F420-F系列 外形尺寸 40

直角镜安装套件
V430-AF3

MicroHAWK F430-F/F420-F系列 外形尺寸 41

红光滤波器安装套件
V430-AF6
蓝光滤波器安装套件
V430-AF7
红灯安装套件
V430-ALR
白灯安装套件
V430-ALW
蓝灯安装套件
V430-ALB
红外灯安装套件
V430-ALI

MicroHAWK F430-F/F420-F系列 外形尺寸 42

USB 接口电缆 - 1 米
V420-WUB-1M

MicroHAWK F430-F/F420-F系列 外形尺寸 43

套件 - USB接口电缆,带外部电源输入(1米)和电源(2米)
V420-AC1

MicroHAWK F430-F/F420-F系列 外形尺寸 44

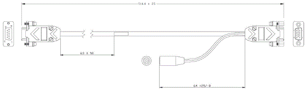
套件 - RS-232接口电缆(DB-15),带外部电源输入(1米)和电源(2米)
V420-AC0

MicroHAWK F430-F/F420-F系列 外形尺寸 45

套件 - USB、IO和电源接口电缆(1米)和电源(2米)
V420-AC2

MicroHAWK F430-F/F420-F系列 外形尺寸 46

电缆 - RS-232、USB、IO 和电源接口 - 1 米
V420-WRU8X-1M

MicroHAWK F430-F/F420-F系列 外形尺寸 47

带NIST 可追溯测量报告的AutoVISION 验证校准卡
98-000265-01
98-000265-02

MicroHAWK F430-F/F420-F系列 外形尺寸 48