Page top

E3AS-HL系列

距离设定型光电传感器

E3AS-HL系列

能够简单稳定地检测出难以检测的复杂形状、花纹、光泽工件的距离设定型光电传感器

(单位:mm)


无指定尺寸公差:公差等级 IT16

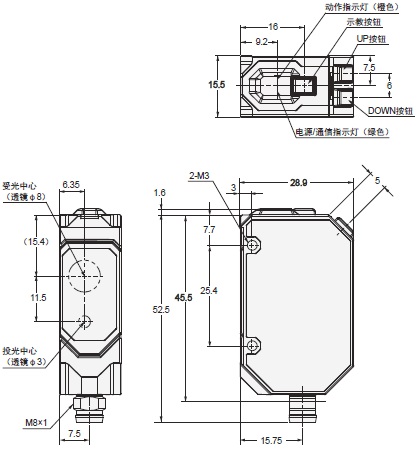
E3AS-HL

本体

导线引出型/接插件中继型

E3AS-HL500□(-M1TJ)
E3AS-HL150□(-M1TJ)

E3AS系列 外形尺寸 4

接插件型

E3AS-HL500□ M3
E3AS-HL150□ M3

E3AS系列 外形尺寸 5

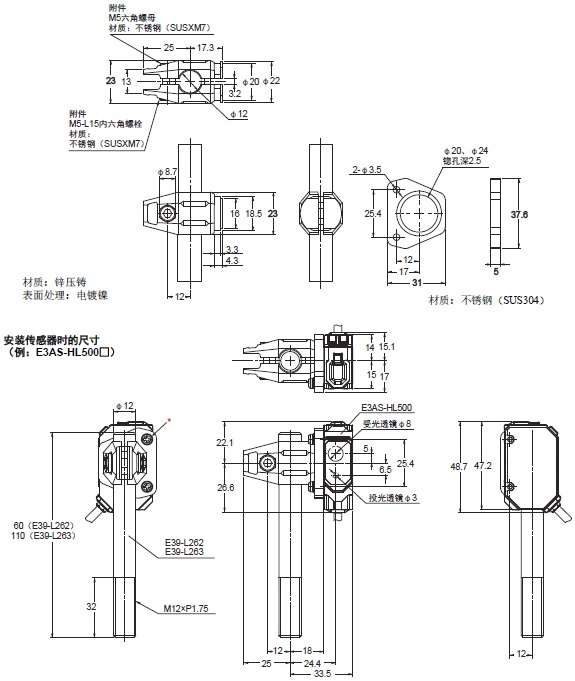
附件(另售)

安装支架

E39-L221

E3AS系列 外形尺寸 8

材质:不锈钢(SUS304)
* 附件 2-M3-L10十字槽盘头小螺钉(SW+JIS W组装)

E39-L222

E3AS系列 外形尺寸 9

材质:不锈钢(SUS304)
* 附件 2-M3-L10十字槽盘头小螺钉(SW+JIS W组装)

E39-L223

E3AS系列 外形尺寸 10

材质:不锈钢(SUS304)
* 附件 2-M3-L10十字槽盘头小螺钉(SW+JIS W组装)

E39-L224

E3AS系列 外形尺寸 11

材质:不锈钢(SUS304)
* 附件 2-M3-L10十字槽盘头小螺钉(SW+JIS W组装)

E39-L231

E3AS系列 外形尺寸 12

材质:不锈钢(SUS304)
* 附件 2-M3-L10十字槽盘头小螺钉(SW+JIS W组装)

E39-L232

E3AS系列 外形尺寸 13

材质:不锈钢(SUS304)
* 附件 2-M3-L10十字槽盘头小螺钉(SW+JIS W组装)

E39-L234

E3AS系列 外形尺寸 14

材质:不锈钢(SUS304)
* 附件 2-M3-L10十字槽盘头小螺钉(SW+JIS W组装)

E39-E19

E3AS系列 外形尺寸 15

材质:不锈钢(SUS304)
* 附件 2-M3-L10十字槽盘头小螺钉(SW+JIS W组装)

E3AS系列通用

灵活的安装支架

E39-L261

E3AS系列 外形尺寸 17

* 附件 2-M3-L10十字槽盘头小螺钉(SW+JIS W组装)

立柱 50mm

E39-L262

E3AS系列 外形尺寸 19

材质:不锈钢(SUS304)

立柱 100mm

E39-L263

E3AS系列 外形尺寸 21

材质:不锈钢(SUS304)

吹气单元

E39-E16

E3AS系列 外形尺寸 23

材质:锌压铸
表面处理:电镀镍
* 附件 2-M3-L16十字槽盘头小螺钉(SW+JIS W组装)