Page top

D4BL

电磁锁定安全门开关

D4BL

铝铸件本体 锁定强度700N

(单位:mm)

开关

D4BL-□□R□-□

D4BL 外形尺寸 3 D4BL-[][]R[]-[]_Dim

D4BL-2GRD-AT

D4BL 外形尺寸 5 D4BL-2GRD-AT_Dim

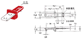
注1. 除非特别注明,否则所有尺寸均存在±0.4mm的规定公差。
2. 2NC接点ON/OFF动作同时性可能会有差异。请在应用前确认性能。

操作钥匙

D4BL-K1

D4BL 外形尺寸 8 D4BL-K1_Dim

D4BL-K3

D4BL 外形尺寸 9 D4BL-K3_Dim

D4BL-K2

D4BL 外形尺寸 10 D4BL-K2_Dim

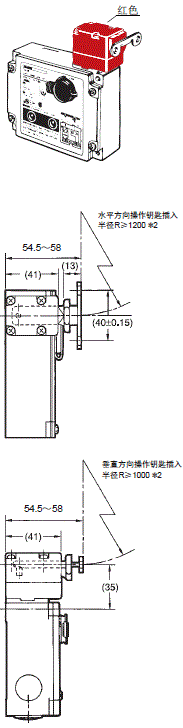
操作钥匙插入时

D4BL + D4BL-K1

D4BL 外形尺寸 13 D4BL + D4BL-K1_Dim

D4BL + D4BL-K2

D4BL 外形尺寸 15 D4BL + D4BL-K2_Dim

D4BL + D4BL-K3

D4BL 外形尺寸 17 D4BL + D4BL-K3_Dim

注1. 除非特别注明, 否则所有尺寸均存在±0.4mm的规定公差。
 2. 上图中操作钥匙从前面插入。
*1. 插入半径的值为操作钥匙的旋转中心点为图中面(A)上时的值。
*2. 插入半径的值为操作钥匙的旋转中心点为操作钥匙安装面上时的值。

指示灯单元

D4BL 外形尺寸 19