Page top

D4BS

安全门开关

D4BS

特殊操作开关激活强制断开构造,在 机床或其他设备上的保护门打开时打 开接点和关闭控制电路

(单位:mm)

除非特别注明,否则所有尺寸均存在±0.4mm的规定公差。

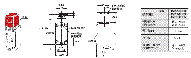
开关

1导管
D4BS-1□FS
D4BS-2□FS
D4BS-4□FS

D4BS 外形尺寸 4 D4BS-1[]FS_Dim

2NC接点ON/OFF动作同时性可能会有差异。 请在应用前确认性能。
*导管尺寸
D4BS-1□FS :Pg 13.5
D4BS-2□FS :G1/2
D4BS-4□FS: M20

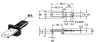
操作钥匙

D4BS-K1

D4BS 外形尺寸 7

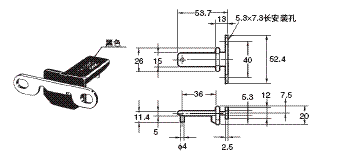
D4BS-K2

D4BS 外形尺寸 8

D4BS-K3

D4BS 外形尺寸 9

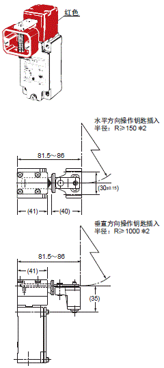
操作钥匙插入时

D4BS + D4BS-K1

D4BS 外形尺寸 11 D4BS + D4BS-K1_Dim

D4BS + D4BS-K2

D4BS 外形尺寸 12 D4BS + D4BS-K2_Dim

D4BS + D4BS-K3

D4BS 外形尺寸 14 D4BS + D4BS-K3_Dim

注: 除非特别注明,否则所有尺寸均存在±0.4mm的规定公差。
*1. 插入半径的值为操作钥匙的旋转中心点为图中面(A)上时的值。
*2. 插入半径的值为操作钥匙的旋转中心点为操作钥匙安装面上时的值。