Page top

TM系列

协作型机器人

TM系列

用于组装、包装、质检和物流的协作型机器人

(单位:mm)


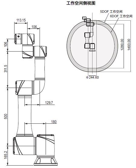
TM5

TM5-700

TM系列 外形尺寸 2

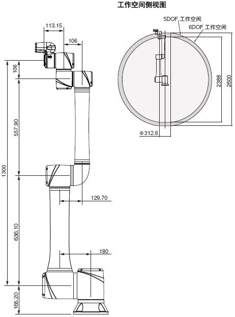
TM5-900

TM系列 外形尺寸 3

占用空间

TM系列 外形尺寸 4

法兰

TM系列 外形尺寸 5

控制柜

TM系列 外形尺寸 6

TM12/14

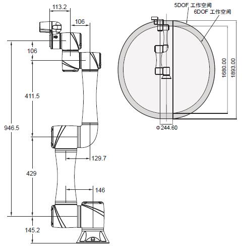
TM12

TM系列 外形尺寸 8

TM14

TM系列 外形尺寸 9

占用空间

TM系列 外形尺寸 10

法兰

TM系列 外形尺寸 11

控制柜

TM系列 外形尺寸 12

TM16

TM系列 外形尺寸 13

占用空间

TM系列 外形尺寸 14

法兰

TM系列 外形尺寸 15

控制柜

TM系列 外形尺寸 16

TM20

TM20/20X

TM系列 外形尺寸 18

占用空间

TM系列 外形尺寸 19

法兰

TM系列 外形尺寸 20

控制柜

TM系列 外形尺寸 21

附件外形尺寸

移动工作站(MWS)

TM系列 外形尺寸 23

机器人支架

TM系列 外形尺寸 24

气动控制柜

TM系列 外形尺寸 25