Page top

E8PC

IoT液体压力传感器

E8PC

同时监视“压力+温度”发现液压油、密封材的异常征兆

(单位:mm)

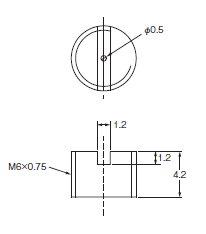
本体

IoT液体压力传感器

E8PC-□□□S□-□

E8PC 外形尺寸 3

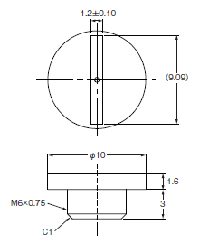
适配器

E8PC-YA-A□□
E8PC-YA-C□□

E8PC 外形尺寸 5

E8PC-YA-B14N

E8PC 外形尺寸 6

节流阀

E8PC-YS

E8PC 外形尺寸 8

E8PC-YS-N

E8PC 外形尺寸 9

O型圈

E8PC-YL-1

E8PC 外形尺寸 11

E8PC-YL-2

E8PC 外形尺寸 12

E8PC-YL-3

E8PC 外形尺寸 13

电缆

请参照E8FC的样本。