Page top

QX-830系列

激光条形码扫描器

QX-830系列

紧凑型工业用激光条形码扫描器

微型扫描器系列

全力支持识别与打印质量校验

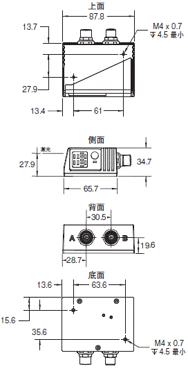
(单位:mm)

QX-830系列 外形尺寸 1
QX-830系列 外形尺寸 2

与激光相关的标签标识
本激光条形码扫描器贴有上面所示的警告标签。
请勿撕下,或在标签前放置遮挡物。