Page top

S8VK-E

开关电源(120W型)

S8VK-E

适合充电桩行业的开关电源CCC安全认证取得,耐环境,三防涂层对应,零下40度可启动,

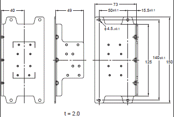
(单位:mm)

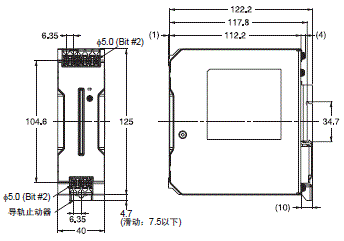
S8VK-E12012,S8VK-E12024

S8VK-E 外形尺寸 1

DIN导轨(另售)

注:除非另有说明,所有规格以毫米为单位。

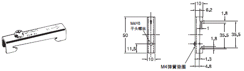
安装导轨(材质:铝)

PFP-100N
PFP-50N

S8VK-E 外形尺寸 3

安装导轨(材质:铝)

PFP-100N2

S8VK-E 外形尺寸 4

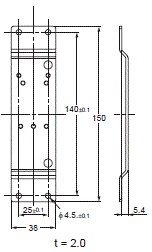
终端板

PFP-M

S8VK-E 外形尺寸 5

注:如果单元可能受到振动或冲击,请使用钢质DIN导轨。否则金属可能因磨损导致铝制产品产生破损。

安装支架

类型 型号 外形尺寸 外观
正面安装支架 S82Y-VK10F 3695_dm_5 3695_dm_6
侧面安装支架 S82Y-VK10S 3695_dm_7 3695_dm_8