Page top

E5ED

温控器(数字温控器) (48 x 96 mm)

E5ED

自动捕捉状态变化,优化控制,轻松兼顾生产效率和品质。

(单位:mm)

本体

E5ED

E5ED 外形尺寸 2
E5ED 外形尺寸 3

·安装面板的厚度为1~8mm。
·上下方向无法进行紧密安装,请予注意。(请保持安装间隔)
·若需要防水,安装时请向本体插入防水垫。
·安装使用多台温控器时,请避免使温控器的环境温度超过规格值。
·使用Y92A-49N时,请将控制柜的厚度控制在1~3mm以内。

选装件(另售)

端子盖

E53-COV24(3个装)

E5ED 外形尺寸 5

防水垫

Y92S-P9〔DIN48×96用〕

E5ED 外形尺寸 7

产品随附1只。
使用防水垫时,保护等级为IP66 。
(为确保达到IP66的防水等级,防水垫会因使用环境发生老化、收缩或硬化,因此建议定期更换。定期更换时期因使用环境而异。请用户自行确认。大致以3年以下为更换标准。)

安装适配器

Y92F-51(2个装)

E5ED 外形尺寸 9

产品随附一组。
遗失、损坏时,请另行订购。

防水盖

Y92A-49N(48×96用)

E5ED 外形尺寸 10

拉出夹具

Y92F-59

维护时可使用拉出夹具仅拔出本体,而不拆下端子接线。

E5ED 外形尺寸 12

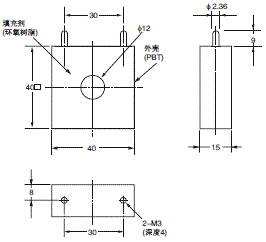
电流检测器

E54-CT1

E5ED 外形尺寸 14

E54-CT1L

E5ED 外形尺寸 15

贯通电流(Io)与输出电压(Eo)特性(参考值)
E54-CT1、E54-CT1L

加热器最大连续电流:50A(50/60Hz)
匝数:400±2匝
绕线电阻:18±2Ω

E5ED 外形尺寸 17

E54-CT3

E5ED 外形尺寸 18

E54-CT3附件

E5ED 外形尺寸 19

E54-CT3L

E5ED 外形尺寸 20

贯通电流(Io)与输出电压(Eo)特性(参考值)
E54-CT3、E54-CT3L

加热器最大连续电流:120A(50/60Hz)
(但是,开云(中国)温控器的连续最高加热器电流值为50A。)
匝数:400±2匝
绕线电阻:8±0.8Ω

E5ED 外形尺寸 22