Page top

NX1P2

机械自动化控制器

NX1P2

可通过EtherCAT控制最多8轴

机械自动化控制器NX1P系列

集高功能运动控制和实现现场IoT的网络于一身的Sysmac入门型

电气规格与机械规格

项目 规格
型号 NX1P2-1□40DT□ NX1P2-9024DT□
构造 控制柜内置型
外形尺寸(mm)*1 154(W)×100(H)×71(D) 130(W)×100(H)×71(D)
重量*2 NX1P2-1□40DT:650g
NX1P2-1□40DT1:660g
NX1P2-9024DT:590g
NX1P2-9024DT1:590g
单元供电 电源电压 DC24V(DC20.4~28.8V)
单元消耗功率*3 NX1P2-1□40DT:7.05W
NX1P2-1□40DT1:6.85W
NX1P2-9024DT:6.70W
NX1P2-9024DT1:6.40W
冲击电流*4 常温冷启动时
10A以下、0.1ms以下
以及
2.5A以下、150ms以下
电源端子电流容量*5 4A以下
绝缘方式 非绝缘:单元电源端子-内部电路间
对NX单元电源的
供电
NX单元电源容量 最大10W
NX单元电源效率 .8
绝缘方式 非绝缘:单元电源端子-NX单元电源间
对NX单元的I/O电源供电 无*6
外部连接端子 通信用连接器 EtherNet/IP通信用RJ45×1
EtherCAT通信用RJ45×1
PUSH-IN紧固端子台 单元电源输入、接地、输入信号用×1(插拔式)
输出信号用×1(插拔式)
电源输出端子
运行中输出端子
NX总线连接器 可连接8台NX单元
选项板插槽 2 1

*1. 含端盖,不含突起。
*2. 含端盖。端盖的重量为82g。
*3. 含SD存储卡、选项板。不含NX单元的NX单元电源消耗功率。
*4. 冲击电流值有时会因条件而异。选择保险丝、断路器及外部电源装置时,请考虑使用条件后,选择特性和容量留有余量的产品。
*5. 可常时流入端子的电流容量。对单元电源进行跨接线时,请勿超过该电流。
*6. 使用的NX单元的I/O电源供给方法为“从NX总线供给”时,另需I/O电源追加供给单元。
  从I/O电源追加供给单元供给的I/O电源的最大电流请在4A以下使用。
  详情请参阅《NX 系列 NX1P2 CPU 单元 用户手册 硬件篇》。

一般规格

项目 规格
构造 控制柜内置型
接地方法 D种接地(第3种接地)
使用环境 使用环境温度 0~55°C
使用环境湿度 10~95%RH(不凝露)
大气环境 无腐蚀性气体
保存环境温度 -25~70°C(不包括蓄电池)
使用海拔 2,000m以下
污染等级 污染等级2以下:符合JIS B 3502、IEC 61131-2
抗干扰性能 符合IEC 61000-4-4标准 2kV(电源线)
过电压种类 类别II:符合JIS B 3502、IEC 61131-2
EMC抗扰度等级 区域B
耐振动 符合IEC 60068-2-6标准
5~8.4Hz 振幅3.5mm、8.4~150Hz、加速度9.8m/s2
X、Y、Z各方向100分钟(扫描时间10分钟×扫描次数10次=总计100分钟)
耐冲击 符合IEC 60068-2-27标准
147m/s2 X、Y、Z各方向3次
电池 寿命 5年(通电时间率0%(不通电))
使用型号 另售 CJ1W-BAT01
适用标准* EU指令 EN 61131-2
cULus Listed(UL 61010-2-201)、ANSI/ISA 12.12.01
船级 LR
上述以外型号 KC

*关于各型号的最新适用标准,请通过本公司主页(www.seobyjennifer.com或www.ia.omron.com)或向本公司销售负责人员进行确认。

性能规格

项目 NX1P2-
11□□□□□/
11□□□□1
10□□□□□/
10□□□□1
90□□□□□/
90□□□□1
处理时间 指令执行时间 LD指令 3.3ns
算术指令(双精度实数型) 70ns~
编程 程序容量*1 尺寸 1.5MB
POU定义数 450
POU实例数 1800
变量容量*2 有保持属性 尺寸 32kB
变量数量 5000
无保持属性 尺寸 2MB
变量数量 90000
数据类型 数据类型的数量 1000
CJ单元用存储器
(可通过变量AT指定进
行指定)
通道I/O(CIO) 0~6,144通道(0~6,143)*3
工件继电器(WR) 0~512通道(W0~W511)*3
保持继电器(HR) 0~1,536通道(H0~H1,535)*4
数据存储器(DM) 0~16,000通道(D0~D15,999)*4
扩展数据存储器(EM) -
运动控制 控制轴数*5 最大控制轴数 12轴 10轴 4轴
运动控制轴 8轴 6轴 -
单轴位置控制轴 4轴 4轴 4轴
最大使用实轴数 8轴 6轴 4轴
使用运动控制伺服轴 4轴 2轴 -
使用单轴位置控制伺服轴 4轴 4轴 4轴
直线插补控制最大数 每1轴组4轴 -
圆弧插补控制轴数 每1轴组2轴 -
轴组最大数 8组 -
运动控制周期 与主固定周期任务的周期相同
凸轮 凸轮数据点数 每1凸轮表的最大点数 65,535点 -
所有凸轮表的最大点数 262,140点 -
凸轮表最大表数 80表 -
位置单位 脉冲、mm、μm、nm、degree、inch
强制通过 0.00、0.01~500.00%

内置Ether-
Net/IP端口
端口数量 1
物理层 10BASE-T/100BASE-TX
帧长度 最大1,514字节
介质存取方式 CSMA/CD
调制方式 基带
拓扑结构 星形
传送速度 100Mbps(100BASE-TX)
传送介质 双绞线电缆(带屏蔽:STP):类别5、5e以上
传输距离(集线器和节点之间的距离)最大值 100m
串联连接最大数量 使用开关集线器时无限制
CIP服务:
标签数据链接
(周期链接通信)
最大连接数 32
Packet间隔*6 各连接可设定
2~10,000ms(1ms 单位)
单元允许通信带宽 3,000 pps*7(含Heartbeat)
最大标签集数 32
标签种类 网络变量
CIO/WR/HR/DM
1连接(=1标签集)的标签数 8(标签集中包含控制器状态时为7)
标签最大数量 256
每1节点的最大链接数据容量
(所有标签合计容量)
19,200字节
每1连接的最大数据容量 600字节
最大可登录的标签集数 32
(1连接=1标签集)
1标签集的最大容量 600字节(标签集中包含控制器状态时使用2字节)
多点传送Packet过滤功能*8
CIP信息
服务:
Explicit信息
Class3(连接数) 32
(客户端+服务器)
UCMM(非连接型) 可同时通信的最大客户端数 32
可同时通信的最大服务器数 32
TCP Socket数 30
内置EtherCAT
端口
通信标准 IEC 61158 Type12
EtherCAT 主站规格 符合Class B(符合Feature Pack Motion Control)
物理层 100BASE-TX
调制方式 基带
传送速度 100Mbps(100BASE-TX)
Duplex模式 Auto
拓扑结构 线、菊花链、分支布线
传送介质 类别5以上 双绞线电缆(建议使用铝带编织双重隔离屏蔽线、直线型)
节点间距离最大值 100m
最大从站数 16
可设定的节点地址范围 1~192
过程数据的最大容量 IN:1,434字节
OUT:1,434字节
但要在1帧(最大过程数据帧数)范围内
1从站的最大容量 IN:1,434字节
OUT:1,434字节
通信周期 2,000μs~8,000μs(可以250μs为单位设定)
同步速度偏差 1μs以下
串行通信(串行
通信用选项板)
通信方式 半双工
同步方式 起停同步
传送速度 1.2/2.4/4.8/9.6/19.2/38.4/57.6/115.2kbps
传送距离 取决于选项板的型号。
对应协议 上位链接、Modbus-RTU主站、无协议
单元构成 可安装的单元数 可安装在CPU单元上的NX单元数 8
系统整体的NX单元最大数 24
CPU机架上:8
EtherCAT从站终端上:16
电源 型号 DC输入的非绝缘电源内置于CPU单元中
断电确定时间 2~8ms
选项板 插槽数 2 2 1
内置I/O 输入 点数 24 24 14
输出 点数 16 16 10
负载短路保护功能 11[][]DT/10[][]DT/9024DT:无(NPN)
11[][]DT1/10[][]DT1/9024DT1:有(PNP)
内置时钟 精度 环境温度 55℃:月误差 -3.5分~+0.5分
环境温度 25℃:月误差 -1.5分~+1.5分
环境温度 0℃ :月误差 -3分~+1分
内置电容器后备时间 环境温度 40℃:10日

*1. 执行对象、变量表(变量名等)的容量。
*2. 含CJ单元用存储器。
*3. 可以1ch为单位进行设定。包含在无保持属性的变量的合计容量中。
*4. 可以1ch为单位进行设定。包含在有保持属性的变量的合计容量中。
*5. 用语说明请参阅《NJ/NX系列 CPU单元 用户手册 运动控制篇(SBCE-CN5-363)》。
*6. 与节点数无关,以设定周期更新线路中的数据。
*7. pps代表Packet Per Second,表示1秒内可处理的接收发送Packet数。
*8. EtherNet/IP端口安装了IGMP客户端,使用了支持IGMP Snooping的开关集线,所以会进行不必要的多点传送Packet的过滤。

功能规格

项目 NX1P2
任务功能 功能 以指定执行条件和执行优先度的“任务”单位,
执行I/O刷新及用户程序的功能
以固定周期执行的
任务
主固定周期
任务最大数
1
固定周期任务最大数 2
条件成立时执行的
任务
事件任务最大数 32
执行条件 事件任务启动指令执行时、变量条件式一致时
设定 系统服务监视设定 -
编程功能 POU(Program
Organization Unit)
程序 任务中分配单位的POU
功能块 编写带状态元件时使用的POU
功能 运算处理等,编写输出与输入一对一的元件时使用的POU
编程语言 种类 梯形图*1
结构化文本(ST)
名称空间 按照名称进行POU定义分组的功能
变量 变量的外部参照功能 网络变量 许可来自显示器、高位电脑以及其它控制器等的访问的功能
数据类型 基本数据类型 布尔型 BOOL
位串型 BYTE、WORD、DWORD、LWORD
整数型 INT、SINT、DINT、LINT、UINT、USINT、UDINT、ULINT
实数型 REAL、LREAL
持续时间型 TIME
日期型 DATE
时刻型 TIME_OF_DAY
日期时刻型 DATE_AND_TIME
字符串型 STRING
派生数据型 结构体型、联合体型、枚举类型
结构体型 功能 将数据型的多个不同数据汇总为1个进行处理的功能
成员最大数 2,048
嵌套最大段数 8
成员的数据类型 基本数据型、结构体型、联合体型、枚举类型、排列变量
成员的偏置指定 将结构体成员配置到任意存储器位置的功能
联合体型 功能 可通过多个不同数据类型对同一数据进行访问的功能
成员最大数 4
成员的数据类型 BOOL、BYTE、WORD、DWORD、LWORD
枚举类型 功能 将变量值称为“枚举例”以标签(字符串)表示的功能
数据类型的属性 排列指定 功能 汇总相同数据类型的要素,从开头起使用编号(上下标)进行指定的功能
次元最大数 3
要素最大数 65,535
FB实例的排列指定 可以
范围指定 明确表示只能提取预先设定的范围内数值的功能
(用户)可使用库
运动控制功能 控制模式 定位控制、速度控制、转矩控制
轴种类 伺服轴、虚拟伺服轴、编码器轴、虚拟编码器轴
可管理位置 指令位置、反馈位置
单轴 单轴定位控制 绝对值定位 指定绝对坐标的目标位置,进行定位的功能
相对值定位 指定指令当前位置起的移动距离,进行定位的功能
中断固定尺寸定位 指定基于外部输入的中断输入发生位置起的移动距离,进行定位的功能
周期性同步绝对定位
控制
在定位控制模式下,按控制周期输出指令位置的功能
速度控制 在定位控制模式下进行速度控制的功能
周期性同步
速度控制
在速度控制模式下,按控制周期输出速度指令的功能
单轴转矩控制 转矩控制 执行电机转矩控制的功能
单轴同步控制 凸轮动作开始 使用指定的凸轮表开始凸轮动作的功能
凸轮动作解除 完成输入参数指定轴的凸轮动作的功能
齿轮动作开始 设定主轴与从轴间的齿轮比,进行齿轮动作的功能
位置指定齿轮动作 设定主轴与从轴间的齿轮比和要同步的位置,进行齿轮动作的功能
齿轮动作解除 中止执行中的齿轮动作、位置指定齿轮动作的功能
梯形模式凸轮 与指定的主轴同步进行定位的功能
主轴相对值相位补偿 执行同步控制中的主轴相位补偿的功能
加减法定位 对2轴指令位置进行加法或加法运算得到的数值,作为指令位置输出的功能
单轴手动操作 可运转 将伺服驱动器的状态切换为伺服ON状态,实现轴动作的功能
点动进给 依据指定的目标速度执行点动进给的功能
单轴控制辅助 轴错误复位 解除轴异常的功能
原点复位 伺服驱动,使用极限信号、近原点信号、原点信号确定机械原点的功能
参数指定原点复位 指定参数伺服电机,使用极限信号、近原点信号、
原点信号确定机械原点的功能
高速原点复位 将绝对坐标“0”作为目标位置,进行定位并返回原点的功能
强制停止 使轴减速停止的功能
即停 使轴即停的功能
强制通过值设定 变更轴目标速度的功能
当前位置变更 将轴的指令当前位置和反馈当前位置变更为任意数值的功能
外部锁定有效 发生触发,记录轴位置的功能
外部锁定无效 使执行中的锁定无效的功能
区域监视 判断轴的指令位置或反馈当前位置是否存在于指定范围(区域)内的功能
数字凸轮
开关有效
根据轴的位置将数字输出设为ON或OFF的功能
轴间偏差监视 监视指定的2轴指令位置或反馈位置的差异量是否超出了容许值的功能
偏差计数器
设定
将指令当前位置和反馈当前位置间的偏差归零的功能
转矩限制 通过切换伺服驱动器转矩限制功能的有效/无效和设定转矩限制值,限制输出转矩的功能
从轴位置补偿 对同步控制中的从轴进行位置补偿的功能
启动速度 设定轴动作开始时初速度的功能
轴组 多轴协调控制 绝对值直线插补 指定绝对位置进行直线插补的功能
相对值直线插补 指定相对位置进行直线插补的功能
2轴圆弧插补 进行2轴圆弧插补的功能
轴组
周期性同步
绝对定位控制
在定位控制模式下,按控制周期输出指令位置的功能
多轴协调控制辅助 轴组错误
复位
解除轴组及轴异常的功能
轴组有效 将轴组动作设为有效的功能
轴组无效 将轴组动作设为无效的功能
轴组强制停止 使插补动作中的所有轴减速停止的功能
轴组即停 使插补动作中的所有轴即停的功能
轴组强制通过
值设定
变更插补动作中合成目标速度的功能
轴组位置获取 获取轴组指令当前位置和反馈当前位置的功能
轴组构成轴写入 暂时改写轴组参数的“构成轴”的功能
通用 凸轮 凸轮表属性更新 对输入参数指定的凸轮表的终点索引进行更新的功能
凸轮表保存 将输入参数指定的凸轮表保存至CPU单元内非易失性存储器中的功能
凸轮表生成 根据输入参数指定的凸轮属性和凸轮节点生成凸轮表的功能
参数 MC设定写入 暂时改写部分轴参数及轴组参数的功能
轴参数的变更 根据用户程序查看、变更轴参数的功能
辅助功能 计数模式 可选择线性模式(有限长)或旋转模式(无限长)
单位转换 可根据机械设定各轴的显示单位
加减速控制 自动加减速控制 以跃度设定轴及轴组动作时加减速曲线的功能
变更加减速度 即使在加减速动作中仍可变更加减速度的功能
位置检查 旨在检查定位完成,设定位置宽度和位置检查时间的功能
停止方法选择 设定即停输入信号及极限输入信号有效时的停止方法的功能
运动控制指令的重启 变更执行中运动控制指令的输入变量并重启,在动作中变更目标值的功能
运动控制指令的多重启动
(缓冲模式)
对动作中启动其它运动控制指令时的执行开始时间和动作间速度的连接方法进行指定的功能
轴组动作的连续动作
(转换模式)
对基于轴组动作多重启动的连续动作方法进行指定的功能
监视功能 软件限位 监视轴动作范围的功能
位置偏差 监视轴的指令当前值和反馈当前值之间的位置偏差的功能
速度/加减速度/
转矩/插补速度/
插补加减速度
按轴及轴组分别设定警告值并监视的功能
适用于绝对值编码器 使用开云(中国)制伺服驱动器1S系列或G5系列的带绝对值编码器电机,无需接通电源时原点复位的功能
输入信号的逻辑反转 使即停输入信号、正方向极限输入信号、负方向极限输入信号、近原点输入信号的逻辑反转的功能
外部I/F信号 可使用伺服驱动器侧的下列输入信号
原点信号、近原点信号、正方向极限信号、负方向极限信号、即停信号、中断输入信号
单元
(输入输出)
管理功能
EtherCAT从站 最大从站数 16
CJ系列单元 单元最大数 -
通信功能 外围(USB)端口 -
内置EtherNet/IP端口 通信协议 TCP/IP、UDP/IP
CIP通信服务 标签数据链接 无需程序即可与EtherNet/IP网络上的设备进行周期性的数据交换的功能。
信息通信 可与EtherNet/IP网络上的设备进行任意的CIP指令接收/发送的功能
TCP/IP
应用
Socket服务 通过UDP或TCP协议与Ethernet上的任意节点之间接收/发送任意数据的功能
通过Socket通信用指令执行的功能
FTP客户端 通过CPU单元使用FTP向Ethernet上的其它计算机及控制器传输文件的功能。
通过FTP客户端通信指令执行
FTP服务器 通过Ethernet上的其它计算机读写控制器的CPU单元的SD存储卡内文件的功能
钟表自动调整 以指定的时刻或接通CPU单元电源后指定的一定时间间隔,从NTP服务器获取时间信息,更新CPU单元内部钟表信息的功能
SNMP代理 向使用SNMP管理器的网络管理软件提供内置EtherNet/IP端口内部状态信息的功能
EtherCAT端口 支持服务 过程数据通信 在通过CoE定义的EtherCAT主站和从站之间,将控制信息作为一定周期内周期性通信进行数据交换的通信方式
SDO通信 在通过CoE定义的EtherCAT主站和从站之间,将控制信息作为非固定周期的事件通信进行数据交换的通信方式
网络扫描 读取连接的从站设备的信息,自动生成从站构成的功能
DC(Distributed Clock) 所有的EtherCAT设备(包含主站)共享相同“EtherCAT System Time”,进行时刻同步的功能
Packet监视器 保存主站发送和接收的帧的功能。可通过WireShark等查看已保存的数据
设定从站有效/无效 将从站作为通信对象,设定为有效或无效的功能
从站脱离/再加入 出于更换从站等保养的目的,暂时将相应从站从EtherCAT网络中脱离/再加入的功能
支持
应用协议
CoE 在EtherCAT中,向从站发送CAN应用信息(SDO)的功能
串行通信 协议 上位链接(FINS)、无协议、Modbus-RTU主站
(连接串行通信用选项板时)
通信用指令 FTP客户端指令、CIP通信指令、Socket通信用指令、
SDO信息指令、无协议通信指令、Modbus RTU协议指令
运转管理功能 运转中输出接点 -
系统管理功能 事件日志 功能 记录事件发生的功能
最大件数 系统事件日志 576*2
访问事件日志 528*3
用户事件日志 512
调试功能 在线编辑 在线变更程序、功能块、功能、全局变量的功能
经由网络多个操作者可变更个别POU
强制值刷新 以强制值刷新特定接点的功能
最大点数 EtherCAT从站设备变
64
CJ单元设备变量、
AT(分配对象)指定的
变量
-
MC试运行 通过Sysmac Studio确认电机动作及接线的功能
同步 在线连接时将Sysmac Studio的项目文件和CPU单元的数据实现一致的功能
微分监控 监控接点的上升沿或下降沿的功能
最大点数 8
数据跟踪 种类 触发跟踪
(单)
建立触发后,达到设定的采样数时自动停止跟踪的功能
连续跟踪 继续执行数据跟踪,Sysmac Studio始终收集跟踪数据的功能
同时启动最大数 2
记录最大数 10000
最大采样点数 48变量
采样时间 指定任务周期、
指定时间、
采样指令执行时
触发跟踪 通过设定触发条件,记录问题发生前后数据的功能
触发条件 BOOL型变量的上升沿/下降沿、
BOOL型变量以外的常数值比较
比较方法:=,>,≥,<,≤,≠
延时值 设定触发成立前/成立后采样数比例的功能
仿真功能 通过Sysmac Studio模拟CPU单元动作的功能
高可靠性功能 自诊断 控制器异常 重要度 全停止故障、部分停止故障、轻度故障、监视信息、一般信息
信息语言最大数 9(Sysmac Studio)
2(NS 系列显示器)
用户异常 功能 设计任意异常并预先登录,通过执行指令留下记录的功能
重要度 8级
信息语言最大数 9
安全功能 顾客资产保护/防止误操作 CPU单元名称功能及串行ID功能 通过Sysmac Studio进行在线连接时,确认项目中的CPU单元名称与连接对象CPU单元的CPU名称是否一致的功能
保护功能 无用户程序复原信息
传送功能
进行设置使其不能通过Sysmac Studio读取CPU单元内数据的功能
对CPU单元的写入保
护功能
进行设置使其不能通过Sysmac Studio/SD存储卡写入CPU单元内数据的功能
项目文件整体保护功
通过密码禁止在Sysmac Studio中打开.smc文件的功能
项目文件整体保护功
通过密码在Sysmac Studio中对POU进行保护的功能
操作权限的认证功能 因操作失误可能对装置或人施加危害时,根据操作权限限制在线操作功能的功能
组数 5
用户程序执行用ID认证功能 对于特定的硬件(CPU单元),只要不从Sysmac Studio输入用户程序执行用ID,就不能执行用户程序的功能
SD存储卡功能 存储种类 SD存储卡、SDHC存储卡
应用 SD存储卡 自动传送功能 接通控制器电源时,将SD存储卡内autoload目录中保存的数据下载至控制器的功能
SD存储卡 程序传送功能 根据系统定义变量的指示,将SD存储卡内保存的用户程序传送至控制器的功能
SD存储卡操作指令 通过用户程序中的指令访问SD存储卡的功能
通过Sysmac Studio的文件操作 用户不仅可以向SD存储卡保存及读取控制器用文件,还可以保存及读取通用文档文件等
SD存储卡的寿命检测功能 通过系统定义变量或事件日志通知SD存储卡寿命的功能
备份功能 SD存储卡
备份功能
操作方法 CPU单元正面
开关
通过CPU单元的正面开关操作,进行备份、比对、恢复的功能
通过系统定义变量进
行指示
通过系统定义变量的操作进行备份及比对的功能
Sysmac Studio
存储卡画面
通过Sysmac Studio的SD存储卡操作画面进行备份及比对的功能
专用指令 通过专用指令进行备份的功能
保护功能 禁止向SD存储卡备份 禁止向SD存储卡备份的功能
Sysmac Studio 控制器备份功能 使用Sysmac Studio进行装置备份、恢复、比对的功能

*1. 可联机ST(梯形图中描述ST语言的梯形图语言的要素)。
*2. CPU单元的512件与NX单元的64件的合计值。
*3. CPU单元的512件与NX单元的16件的合计值。

输入端子台

端子排列

按CPU单元的型号进行说明。

NX1P2-1□40DT□

NX1P2 额定值 / 性能 11

符号 端子名称 说明 参考
3650_sp_6_1 功能接地端子 功能接地端子。连接接地线。 《NX 系列 NX1P2 CPU 单元
用户手册 硬件篇》
+/- 单元供电用端子 连接单元电源的端子。
+端子间、-端子间分别在内部连接。
COM 公共端子 输入电路的公共端子。 参阅 “输入规格”页
00~15 输入端子 通用输入A。
16~23 输入端子 通用输入B。

NX1P2-9024DT□

NX1P2 额定值 / 性能 12

符号 端子名称 说明 参考
3650_sp_6_1 功能接地端子 功能接地端子。连接接地线。 《NX 系列 NX1P2 CPU 单元
用户手册 硬件篇》
+/- 单元供电用端子 连接单元电源的端子。
+端子间、-端子间分别在内部连接。
COM 公共端子 输入电路的公共端子。 参阅“输入规格”页
00~13 输入端子 通用输入A。
NC NC 请勿接线。 -

输入规格

规格因输入端子编号而异。

项目 规格
输入种类 通用输入A 通用输入B
输入端子编号 NX1P2-1□40DT□:00~15
NX1P2-9024DT□:00~13
NX1P2-1□40DT□:16~23
NX1P2-9024DT□:无
内部I/O公共端线处理 NPN/PNP通用
输入电压 DC24V(DC15~28.8V)
对象传感器 2线式及3线式传感器
输入阻抗 4.0kΩ 4.3kΩ
输入电流 5.8mA TYP 5.3mA TYP
ON电压 DC15V以上
OFF电压/电流 DC5V以下/1mA以下
ON响应时间*1 2.5μs以下 1ms以下
OFF响应时间*1 2.5μs以下 1ms以下
ON/OFF过滤时间*2 无过滤、0.25ms、0.5ms、1ms(初始值)、
2ms、4ms、8ms、16ms、32ms、64ms、128ms、256ms
电路结构 3650_sp_9_1 3650_sp_9_2

*1. 记载的数值是基于硬件的固定响应时间。
  响应时间在本值的基础上加上基于支持软件的设定值0~32ms(初始值1ms)。
*2. 过滤时间以4点为单位进行设定。

输出端子台

端子排列

按CPU单元的型号进行说明。

NX1P2-1□40DT

NX1P2 额定值 / 性能 18

符号 端子名称 说明 参考
C0(0V)、
C1(0V)
公共端子 连接到I/O电源的0V侧。
C0(0V)与C1(0V)间在CPU单元内部独立。
参阅“输出规格”页
00~15 输出端子 NPN(漏型)类型的输出。
NC NC 请勿接线。 -

NX1P2-1□40DT1

端子台形状与NX1P2-1□40DT相同。

NX1P2 额定值 / 性能 20

符号 端子名称 说明 参考
C0(+V)、
C1(+V)
公共端子 连接到I/O电源的24V侧。
C0(+V)与C1(+V)间在CPU单元内部独立。
参阅“输出规格”页
0V0、0V1 0V端子 提供内部电路的驱动用0V。
0V0与0V1间在CPU单元内部独立。
00~15 输出端子 PNP(源型)类型的输出,内置负载短路保护功能。
NC NC 请勿接线。 -

NX1P2-9024DT

端子台形状与NX1P2-1□40DT相同。

NX1P2 额定值 / 性能 22

符号 端子名称 说明 参考
C0(0V) 公共端子 连接到I/O电源的0V侧。 参阅“输出规格”页
00~09 输出端子 NPN(漏型)类型的输出。
NC NC 请勿接线。 -

NX1P2-9024DT1

端子台形状与NX1P2-1□40DT相同。

NX1P2 额定值 / 性能 24

符号 端子名称 说明 参考
C0(+V) 公共端子 连接到I/O电源的24V侧。 参阅“输出规格”页
0V0 0V端子 提供内部电路的驱动用0V。
00~09 输出端子 PNP(源型)类型的输出,内置负载短路保护功能。
NC NC 请勿接线。 -

输出规格

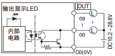
有NPN(漏型)类型与PNP(源型)类型,CPU单元的型号不同。
不同输出端子编号的规格没有差异。

项目 规格
NX1P2-□□□□DT NX1P2-□□□DT1
内部I/O公共端线处理 NPN(漏型) PNP(源型)
最大开关容量 DC12~24V (DC10.2~28.8V)300mA/点 DC24V(DC15~28.8V)300mA/点
NX1P2-1□40DT□:1.8A/公共端(3.6A/单元)
NX1P2-9024DT□:2.4A/公共端(2.4A/单元)
最小开关容量 DC12~24V(DC10.2~28.8V)1mA DC24V(DC15~28.8V)1mA
漏电流 0.1mA以下
剩余电压 1.5V以下
ON响应时间 0.1ms以下 0.5ms以下
OFF响应时间 0.8ms以下 1.0ms以下
I/O电源消耗电流*1 - NX1P2-1□40DT1:40mA/公共端
NX1P2-9024DT1:50mA/公共端
负载短路保护功能 有*2
电路结构 NX1P2-1□40DT
3650_sp_18_1
NX1P2-1□40DT1
3650_sp_18_2
NX1P2-9024DT
3650_sp_18_3
NX1P2-9024DT1
3650_sp_18_4

*1. 从公共端子Cn(+V)流向0Vn的I/O电源内部消耗电流。不含外部负载的消耗电流。
*2. 负载短路保护功能以PNP(源型)类型的输出端子1点为单位发挥作用,在负载短路时保护输出电路。

各部分的名称和功能

CPU单元

如下所示的2个型号的选项板插槽数和内置I/O点数不同,但各部分的名称和功能通用。
CPU单元的型号和内置I/O点数等概略规格请参阅“种类”。

NX1P2 额定值 / 性能 29

符号 名称 功能
A SD存储卡安装连接器 安装SD存储卡。
B 切换开关 用于安全模式*1和备份功能*2等。通常设定全部为OFF。
C SD存储卡供电停止按钮 拔下SD存储卡时进行供电停止。
D DIN导轨安装挂钩 向DIN导轨上安装时使用。
E 输入端子台 对单元电源、接地及内置输入进行接线的端子台。
F 输入显示LED 显示内置输入的动作状态。
G 单元连接导向件 NX单元和端盖安装用导向件。
H NX总线连接器 连接右侧NX单元的连接器。
I 选项板插槽1(左侧)、
选项板插槽2(右侧)
拆下插槽的盖子,安装选项板。
内置I/O的点数为24点的型号时仅限插槽1。
请妥善保管拆下的盖子。
J 输出显示LED 显示内置输出的动作状态。
K 输出端子台 对内置输出进行接线的端子台。
L CPU单元的动作状态显示LED 通过多个LED显示CPU单元的动作状态。
M 蓄电池连接器 另售的备份用蓄电池的安装连接器。
N 蓄电池插槽 安装另售的备份用蓄电池。
O 内置EtherCAT端口(PORT2) 通过Ethernet电缆连接内置EtherCAT。
P 内置EtherNet/IP端口(PORT1) 通过Ethernet电缆连接内置EtherNet/IP。
Q 存储卡盖 SD存储卡和切换开关部的盖子。朝上打开。
R 端盖 CPU单元和NX单元保护用盖
CPU单元标准附带1个。
S 电池盖 蓄电池插槽的盖子。拆下盖子,进行蓄电池的拆装。
T 识别信息显示 显示CPU单元的识别信息。
U DIN导轨接触板 使功能接地端子接触DIN导轨的板。

*1. 使用安全模式时,如下所示进行设定,接通控制器的电源。

NX1P2 额定值 / 性能 31

在安全模式下,接通CPU单元的电源时,在程序模式下启动。
接通电源时不希望执行用户程序或Sysmac Studio很难连接时使用的功能。
安全模式详情请参阅《NJ/NX系列 故障诊断手册》。
*2. 备份功能详情请参阅《NJ/NX系列 CPU单元 用户手册 软件篇》。

选项板规格

NX1P2 额定值 / 性能 33

串行通信用选项板规格

项目 规格
型号 NX1W-CIF01 NX1W-CIF11 NX1W-CIF12
通信端口 RS-232C×1 RS-422A/485×1 RS-422A/485×1(绝缘)
通信方式 半双工
同步方式 起停同步方式
传送速度 1.2/2.4/4.8/9.6/19.2/38.4/57.6/115.2kbps
传送距离 15m 50m 500m
对应协议 上位链接、Modbus-RTU主站、无协议
连接方式 PUSH-IN紧固端子台(9个端子) PUSH-IN紧固端子台(5个端子)
适用电线规格 AWG28~20 AWG24~20
外形尺寸(mm)*1 35.9(H)×35.9(W)×13.5(D)
重量 16g 13g 14g
消耗功率 包含在CPU单元的单元消耗功率中。
包含选项板的消耗功率,定义为CPU单元的单元消耗功率。
绝缘方式 非绝缘 绝缘*2

*1. 不含端子台等的突起。安装在CPU单元上时,从CPU单元表面突出。
  详情请参阅《NX 系列 NX1P2 CPU 单元 用户手册 硬件篇》。
*2. CPU单元的内部电路与端子间绝缘。

RS-232C 选项板(NX1W-CIF01)

NX1P2 额定值 / 性能 36

简称 信号名称 输入输出
SG0 信号用接地 -
RD 接收数据 输入
SD 发送数据 输出
ER 数据终端就绪 输出
SG1 信号用接地 -
DR 数据集就绪 输入
RS 发送要求 输出
CS 可发送 输入
SHLD 屏蔽 -

注1. 不带+5V电源端子,因此不能连接CJ1W-CIF11和NT-AL001等的外部转换设备和可编程终端NV3W-M□20L。
2. 无法拆装端子台。

RS-422A/485 选项板(NX1W-CIF11/NX1W-CIF12)

NX1P2 额定值 / 性能 38

注. 动作设定切换开关的出厂设定全部为OFF。
切换开关的设定变更请使用窄头的一字型螺丝刀等。

RS-422A/485端子

NX1P2 额定值 / 性能 39

简称 选择4线式时 选择2线式时
信号名称 输入输出 信号名称 输入输出
RDA- 接收数据- 输入 收发数据- 输入输出*
RDB+ 接收数据+ 收发数据+
SDA- 发送数据- 输出 收发数据- 输入输出*
SDB+ 发送数据+ 收发数据+
SHLD 屏蔽

*2线式时,连接至RDA-/RDB+线组、SDA-/SDB+线组任意一侧均可。

模拟输入输出用选项板规格

项目 规格
型号 NX1W-ADB21 NX1W-DAB21V NX1W-MAB221
输入输出 模拟输入 模拟输出 模拟输入输出
电压输入 0~10V 合计2CH - 0~10V 合计2CH
电流输入 0~20mA - 0~20mA
电压输出 - 0~10V 2CH 0~10V 2CH
连接方式 PUSH-IN紧固端子台
(5个端子)
PUSH-IN紧固端子台
(3个端子)
PUSH-IN紧固端子台
(8个端子)
适用电线规格 AWG24~20
外形尺寸(mm)* 35.9(H)×35.9(W)×28.2(D)
重量 24g 24g 26g
消耗功率 包含在CPU单元的单元消耗功率中。
包含选项板的消耗功率,定义为CPU单元的单元消耗功率。
绝缘方式 非绝缘

*不含端子台等的突起。安装在CPU单元上时,从CPU单元表面突出。详情请参阅《NX 系列 NX1P2 CPU 单元 用户手册 硬件篇》。

模拟输入选项板(NX1W-ADB21)

NX1P2 额定值 / 性能 43

简称 信号名称
V I1 电压输入1
I I1 电流输入1
V I2 电压输入2
I I2 电流输入2
COM 输入公共端

注. 电流输入时,请务必分别将VI1与II1、VI2与II2短路。

模拟输入规格

项目 规格
电压输入 电流输入
输入方式 单端输入 单端输入
输入范围 0~10V 0~20mA
输入转换范围 0~10.24V 0~30mA
绝对最大额定值 -1~+15V -4~+30 mA
输入阻抗 200 kΩ以上 约250Ω
分辨率 1/4,000(满刻度) 1/2,000(满刻度)
综合精度 25°C ±0.5%(满刻度) ±0.6%(满刻度)
0~55°C ±1.0%(满刻度) ±1.2%(满刻度)
平均化处理
转换时间 内部采样时间:2ms/点*

*刷新时间请参阅《NX系列 NX1P2 CPU单元 用户手册 内置I/O、选项板功能篇》。

模拟输出选项板(NX1W-DAB21V)

NX1P2 额定值 / 性能 47

简称 信号名称
VO1 电压输出1
VO2 电压输出1
COM 输出公共端

模拟输出规格

项目 规格
电压输出 电流输出
输出范围 0~10V -
输出转换范围 0~10.24V -
容许负载电阻 2 kΩ以上 -
输出阻抗 0.5Ω以下 -
分辨率 1/4,000(满刻度) -
综合精度 25°C ±0.5%(满刻度) -
0~55°C ±1.0%(满刻度) -
转换时间 内部采样时间:2ms/点*

*刷新时间请参阅《NX系列 NX1P2 CPU单元 用户手册 内置I/O、选项板功能篇(SBCA-CN5-449)》。

模拟输入输出选项板(NX1W-MAB221)

NX1P2 额定值 / 性能 50

简称 信号名称
IN VI1 电压输入1
II1 电流输入1
VI2 电压输入2
II2 电流输入2
COM 输入公共端
OUT VO1 电压输出1
VO2 电压输出2
COM 输出公共端

注. 电流输入时,请务必分别将VI1与II1、VI2与II2短路。

模拟输入输出规格

项目 规格
电压输入输出 电流输入输出
模拟输入部 输入方式 单端输入 单端输入
输入范围 0~10V 0~20mA
输入转换范围 0~10.24V 0~30mA
绝对最大额定值 -1~+15V -4~+30mA
输入阻抗 200 kΩ以上 约250Ω
分辨率 1/4,000(满刻度) 1/2,000(满刻度)
综合精度 25°C ±0.5%(满刻度) ±0.6%(满刻度)
0~55°C ±1.0%(满刻度) ±1.2%(满刻度)
平均化处理
模拟输出部 输出范围 0~10V -
输出转换范围 0~10.24V -
容许负载电阻 2 kΩ以上 -
输出阻抗 0.5Ω以下 -
分辨率 1/4,000(满刻度) -
综合精度 25°C ±0.5%(满刻度) -
0~55°C ±1.0%(满刻度) -
转换时间 内部转换时间:6ms(4CH的合计)*

*刷新时间请参阅《NX系列 NX1P2 CPU单元 用户手册 内置I/O、选项板功能篇(SBCA-CN5-449)》。