Page top

E3ZR-C

耐油光电传感器

E3ZR-C

抑制因切削油进入导致的故障,耐切削油的光电传感器

(单位:mm)

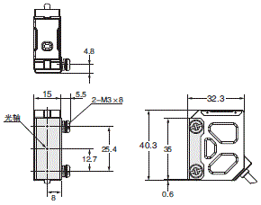
本体

对射型*
电缆引出型
E3ZR-CT61□
E3ZR-CT81□

E3ZR-C 外形尺寸 2

回归反射型
电缆引出型
E3ZR-CR61□
E3ZR-CR81□

扩散反射型
电缆引出型
E3ZR-CD61□
E3ZR-CD81□

E3ZR-C 外形尺寸 3

*对射型(E3ZR-CT□1□(-M1TJ))刊载了投光器、受光器的套件型号。
投光器的型号加上“-L”标记(例:E3ZR-CT61L-L 2M)、受光器的型号加上“-D”标记(例:E3ZR-CT61L-D 2M)。
投光器、受光器各自的型号请确认“种类”。

电缆引出部的弯曲R

E3ZR-C 外形尺寸 5

附件(另售)

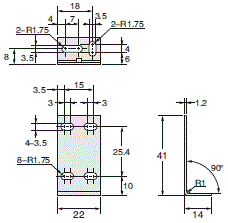
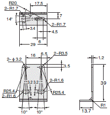
耐油反射板
E39-R1R

E3ZR-C 外形尺寸 7

材质:
﹤反射面﹥异丁烯树脂(耐油高分子量型)
﹤背面﹥铝
﹤耐油用M3特殊螺钉﹥不锈钢(SUS302)

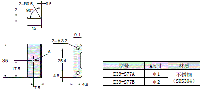
狭缝
E39-S77A
E39-S77B

E3ZR-C 外形尺寸 9

安装传感器时的尺寸(例:E3ZR-CT61L)

E3ZR-C 外形尺寸 10

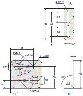
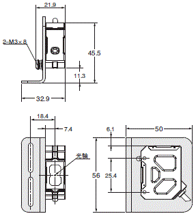
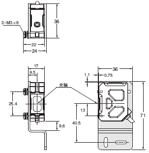
金属安装配件
E39-L153

E3ZR-C 外形尺寸 11

材质:不锈钢(SUS304)

安装传感器时的尺寸(例:E3ZR-CT61L)

E3ZR-C 外形尺寸 12

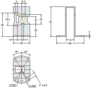
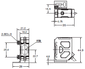
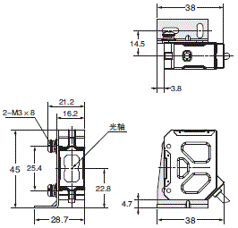
金属安装配件
E39-L104

E3ZR-C 外形尺寸 13

材质:不锈钢(SUS304)

安装传感器时的尺寸(例:E3ZR-CT61L)

E3ZR-C 外形尺寸 14

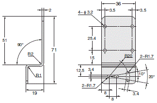
金属安装配件
E39-L153

E3ZR-C 外形尺寸 15

材质:不锈钢(SUS304)

安装传感器时的尺寸(例:E3ZR-CT61L)

E3ZR-C 外形尺寸 16

金属安装配件
E39-L153

E3ZR-C 外形尺寸 17

材质:不锈钢(SUS304)

安装传感器时的尺寸(例:E3ZR-CT61L)

E3ZR-C 外形尺寸 18

金属安装配件
E39-L153

E3ZR-C 外形尺寸 19

材质:不锈钢(SUS304)

安装传感器时的尺寸(例:E3ZR-CT61L)

E3ZR-C 外形尺寸 20