Page top

A7MD

拨码开关

A7MD

超小拨码操作的开关

A7MD系列部分产品于2019年3月底截止订货。

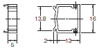
(单位:mm)

拨码开关

A7MD-106-P-09
PCB 端子

A7MD 外形尺寸 2

注1. 上面的尺寸包括两个端盖,且将为每个插入的隔板 增加5mm。
2. 上述各机型的外形尺寸中的未注公差为±0.4mm。 多连接的公差为± (单元数 × 0.4) mm

附件(另售)

用于按操作开关的端盖
A7MD-1M
PCB安装(侧板)*

A7MD 外形尺寸 5

* A7MD不能通过螺钉面板或卡入式面板安装。将A7MD安装到PC板之后 紧固PC板。

拨码开关的隔板
A7MD-P□
PCB安装

A7MD 外形尺寸 6

隔板型号中的□代表范围A到U中的字母。 (参见Catalog上隔板说明下面的表格。)

注: 除非另有说明,否则上面型号中尺寸的尺寸公差为±0.4mm。