Page top

A7BS / A7BL

拨码开关

A7BS / A7BL

锁定型的系列化

A7BS系列部分产品于2018年3月底截止订货。

(单位:mm)

开关

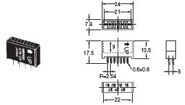
A7BS-2□□(-1)
焊接端子

A7BS / A7BL 外形尺寸 3
A7BS / A7BL 外形尺寸 4

注1. 上面的尺寸包括两个顶端盖, 且将为每个插 入的隔板增加8mm。
2. 上述各机型的外形尺寸图中的未注公差为 ±0.4mm。 多连接的公差为± (单元数×0.4) mm。

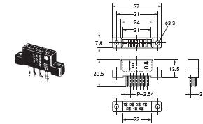
带外部止动的拨码开关:
A7BS-20□-S(-1)

使用A7BS-S止动插脚对这些开关进行刻度盘显示限制。
在所需位置插入止动插脚, 以提供所需的显示范围。
  例如,对于显示范围0到5
  在位置1插入止动插脚(见下图)以在按下(+)按钮时阻止显示上升到5以上
  在位置2插入止动插脚以在按下(-)按钮时阻止显示下降到0以下。

A7BS / A7BL 外形尺寸 8

* 如果输出代码为06, 则尺寸为32.5; 如果输出代码为07, 则尺寸为43.5。

止动插脚

A7BS / A7BL 外形尺寸 11

注1. 两个插脚组成一个套件。
2. 首次发货免费, 并随附在开关中。 如需维护, 请单独订购A7BS-S。

A7BS / A7BL 外形尺寸 13
A7BS / A7BL 外形尺寸 14

注1. 上面的尺寸包括两个顶端盖, 且将为每个插 入的隔板增加8mm。
2. 上述各机型的外形尺寸图中的未注公差为 ±0.4mm。 多连接的公差为± (单元数×0.4) mm。

附件(另售)

用于按操作开关的顶端盖
A7B-M(-1)卡入式面板安装

A7BS / A7BL 外形尺寸 18

用于按操作开关的隔板
A7B-P□(-1)卡入式面板安装

A7BS / A7BL 外形尺寸 20

隔板型号中□的代表范围A到U中的字母。(参见Catalog。)
注:除非另有说明, 否则上面型号中尺寸的尺寸公差为±0.4mm。

接插件

(这些设备可使开关快速卸下以进行维护和连接性检查, 并可快速重新安装。)

A7B-C
焊接端子

A7BS / A7BL 外形尺寸 25

A7B-CP
PCB端子

A7BS / A7BL 外形尺寸 27

插入接插件

插入接插件, 使“UP” 箭头朝上。

A7BS / A7BL 外形尺寸 30

注:除非另有说明, 否则上面型号中尺寸的尺寸公差为±0.4mm。