Page top

R88M-1□ / R88D-1SN□-ECT

AC伺服系统 1S系列

R88M-1□ / R88D-1SN□-ECT

提高安装调试的效率、提高设备的性能、符合国际安全标准

(单位:mm)

AC伺服驱动器 EtherCAT通信内置型 [1S系列]

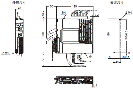
单相AC100V用 R88D-1SN01L-ECT(100W)
单相及三相AC200V用 R88D-1SN01H-ECT/-1SN02H-ECT(100~200W)

R88M-1□ / R88D-1SN□-ECT 外形尺寸 2

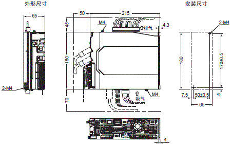
单相AC100V用 R88D-1SN02L-ECT(200W)
单相及三相AC200V用 R88D-1SN04H-ECT(400W)

R88M-1□ / R88D-1SN□-ECT 外形尺寸 3

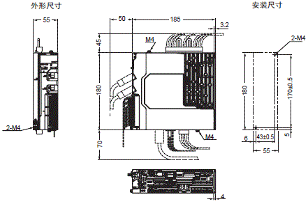
单相AC100V用 R88D-1SN04L-ECT(400W)
单相及三相AC200V用 R88D-1SN08H-ECT(750W)
三相AC200V用 R88D-1SN10H-ECT(1kW)

R88M-1□ / R88D-1SN□-ECT 外形尺寸 4

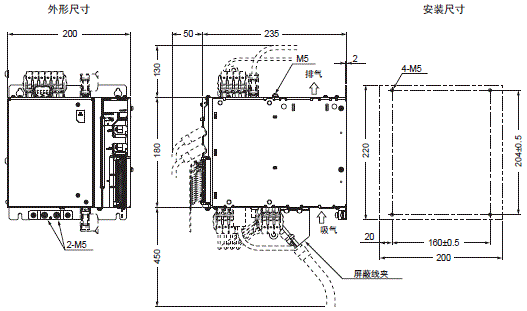
单相及三相AC200V用 R88D-1SN15H-ECT(1.5kW)
三相AC200V用 R88D-1SN20H-ECT/-1SN30H-ECT(2~3kW)
三相AC400V用 R88D-1SN06F-ECT/-1SN10F-ECT/-1SN15F-ECT/-1SN20F-ECT/-1SN30F-ECT(600W~3kW)

R88M-1□ / R88D-1SN□-ECT 外形尺寸 5

三相AC200V用 R88D-1SN55H-ECT/-1SN75H-ECT(5.5~7.5kW)
三相AC400V用 R88D-1SN55F-ECT/-1SN75F-ECT(5.5~7.5kW)

R88M-1□ / R88D-1SN□-ECT 外形尺寸 6

三相AC200V用 R88D-1SN150H-ECT(15kW)

R88M-1□ / R88D-1SN□-ECT 外形尺寸 7

三相AC400V用 R88D-1SN150F-ECT(15kW)

R88M-1□ / R88D-1SN□-ECT 外形尺寸 8

AC伺服马达 [1S系列]

3000r/min 马达(100V、200V)

50W (无制动)
R88M-1M05030S (-O/-S2/-OS2)
R88M-1M05030T (-O/-S2/-OS2)

R88M-1□ / R88D-1SN□-ECT 外形尺寸 11

50W (带制动)
R88M-1M05030S-B (O/S2/OS2)
R88M-1M05030T-B (O/S2/OS2)

R88M-1□ / R88D-1SN□-ECT 外形尺寸 12

100W (无制动)
R88M-1M10030S(-O/-S2/-OS2)
R88M-1M10030T (-O/-S2/-OS2)
R88M-1M10030H-S2

R88M-1□ / R88D-1SN□-ECT 外形尺寸 13

100W (带制动)
R88M-1M10030S-B (O/S2/OS2)
R88M-1M10030T-B (O/S2/OS2)
R88M-1M10030H-BS2

R88M-1□ / R88D-1SN□-ECT 外形尺寸 14

200W、400W (无制动)
R88M-1M20030S (-O/-S2/-OS2)/R88M-1M20030T (-O/-S2/-OS2)
R88M-1M40030S (-O/-S2/-OS2)/R88M-1M40030T (-O/-S2/-OS2)
R88M-1M20030H-S2
R88M-1M40030H-S2

R88M-1□ / R88D-1SN□-ECT 外形尺寸 15

200W、400W (带制动)
R88M-1M20030S-B (O/S2/OS2) /R88M-1M20030T-B (O/S2/OS2)
R88M-1M40030S-B (O/S2/OS2) /R88M-1M40030T-B (O/S2/OS2)
R88M-1M20030H-BS2
R88M-1M40030H-BS2

R88M-1□ / R88D-1SN□-ECT 外形尺寸 16

750W (无制动)
R88M-1M75030T (-O/-S2/-OS2)
R88M-1M75030H-S2

R88M-1□ / R88D-1SN□-ECT 外形尺寸 17

750W (带制动)
R88M-1M75030T-B (O/S2/OS2)
R88M-1M75030H-BS2

R88M-1□ / R88D-1SN□-ECT 外形尺寸 18

1kW、1.5kW、2kW (无制动)
R88M-1L1K030T (-O/-S2/-OS2)/R88M-1L1K530T (-O/-S2/-OS2)/R88M-1L2K030T (-O/-S2/-OS2)
R88M-1L1K030H-S2 / R88M-1L1K530H-S2

R88M-1□ / R88D-1SN□-ECT 外形尺寸 19

1kW、1.5kW、2kW (带制动)
R88M-1L1K030T-B (O/S2/OS2)/R88M-1L1K530T-B (O/S2/OS2)/R88M-1L2K030T-B (O/S2/OS2)
R88M-1L1K030H-BS2 / R88M-1L1K530H-BS2

R88M-1□ / R88D-1SN□-ECT 外形尺寸 20

3kW (无制动)
R88M-1L3K030T (-O/-S2/-OS2)

R88M-1□ / R88D-1SN□-ECT 外形尺寸 21

3kW (带制动)
R88M-1L3K030T-B (O/S2/OS2)

R88M-1□ / R88D-1SN□-ECT 外形尺寸 22

4kW、5kW (无制动)
R88M-1L4K030T (-O/-S2/-OS2)
R88M-1L5K030T (-O/-S2/-OS2)

R88M-1□ / R88D-1SN□-ECT 外形尺寸 23

4kW、5kW (带制动)
R88M-1L4K030T-B (O/S2/OS2)
R88M-1L5K030T-B (O/S2/OS2)

R88M-1□ / R88D-1SN□-ECT 外形尺寸 24

3000r/min 马达(400V)

750W、1kW、1.5kW、2kW (无制动)
R88M-1L75030C (-O/-S2/-OS2)/R88M-1L1K030C (-O/-S2/-OS2)
R88M-1L1K530C (-O/-S2/-OS2)/R88M-1L2K030C (-O/-S2/-OS2)

R88M-1□ / R88D-1SN□-ECT 外形尺寸 26

750W、1kW、1.5kW、2kW (带制动)
R88M-1L75030C-B (O/S2/OS2)/R88M-1L1K030C-B (O/S2/OS2)
R88M-1L1K530C-B (O/S2/OS2)/R88M-1L2K030C-B (O/S2/OS2)

R88M-1□ / R88D-1SN□-ECT 外形尺寸 27

3kW (无制动)
R88M-1L3K030C (-O/-S2/-OS2)

R88M-1□ / R88D-1SN□-ECT 外形尺寸 28

3kW (带制动)
R88M-1L3K030C-B (O/S2/OS2)

R88M-1□ / R88D-1SN□-ECT 外形尺寸 29

4kW、5kW (无制动)
R88M-1L4K030C (-O/-S2/-OS2)
R88M-1L5K030C (-O/-S2/-OS2)

R88M-1□ / R88D-1SN□-ECT 外形尺寸 30

4kW、5kW (带制动)
R88M-1L4K030C-B (O/S2/OS2)
R88M-1L5K030C-B (O/S2/OS2)

R88M-1□ / R88D-1SN□-ECT 外形尺寸 31

2000r/min 马达(200V)

1kW、1.5kW、2kW (无制动)
R88M-1M1K020T (-O/-S2/-OS2)
R88M-1M1K520T (-O/-S2/-OS2)
R88M-1M2K020T (-O/-S2/-OS2)

R88M-1□ / R88D-1SN□-ECT 外形尺寸 33

1kW、1.5kW、2kW (带制动)
R88M-1M1K020T-B (O/S2/OS2)
R88M-1M1K520T-B (O/S2/OS2)
R88M-1M2K020T-B (O/S2/OS2)

R88M-1□ / R88D-1SN□-ECT 外形尺寸 34

3kW (无制动)
R88M-1M3K020T (-O/-S2/-OS2)

R88M-1□ / R88D-1SN□-ECT 外形尺寸 35

3kW (带制动)
R88M-1M3K020T-B (O/S2/OS2)

R88M-1□ / R88D-1SN□-ECT 外形尺寸 36

2000r/min 马达(400V)

400W、600W (无制动)
R88M-1M40020C (-O/-S2/-OS2)/R88M-1M60020C (-O/-S2/-OS2)

R88M-1□ / R88D-1SN□-ECT 外形尺寸 38

400W、600W (带制动)
R88M-1M40020C-B (O/S2/OS2)/R88M-1M60020C-B (O/S2/OS2)

R88M-1□ / R88D-1SN□-ECT 外形尺寸 39

1kW、1.5kW、2kW (无制动)
R88M-1M1K020C (-O/-S2/-OS2)
R88M-1M1K520C (-O/-S2/-OS2)
R88M-1M2K020C (-O/-S2/-OS2)

R88M-1□ / R88D-1SN□-ECT 外形尺寸 40

1kW、1.5kW、2kW (带制动)
R88M-1M1K020C-B (O/S2/OS2)
R88M-1M1K520C-B (O/S2/OS2)
R88M-1M2K020C-B (O/S2/OS2)

R88M-1□ / R88D-1SN□-ECT 外形尺寸 41

3kW (无制动)
R88M-1M3K020C (-O/-S2/-OS2)

R88M-1□ / R88D-1SN□-ECT 外形尺寸 42

3kW (带制动)
R88M-1M3K020C-B (O/S2/OS2)

R88M-1□ / R88D-1SN□-ECT 外形尺寸 43

1500r/min 马达(200V)

4kW (无制动)
R88M-1M4K015T (-O/-S2/-OS2)(近日发售)

R88M-1□ / R88D-1SN□-ECT 外形尺寸 45

4kW (带制动)
R88M-1M4K015T-B (O/S2/OS2)

R88M-1□ / R88D-1SN□-ECT 外形尺寸 46

5.5kW (无制动)
R88M-1M5K515T (-O/-S2/-OS2)

R88M-1□ / R88D-1SN□-ECT 外形尺寸 47

5.5kW (带制动)
R88M-1M5K515T-B (O/S2/OS2)

R88M-1□ / R88D-1SN□-ECT 外形尺寸 48

7.5kW (无制动)
R88M-1M7K515T (-O/-S2/-OS2)

R88M-1□ / R88D-1SN□-ECT 外形尺寸 49

7.5kW (带制动)
R88M-1M7K515T-B (O/S2/OS2)

R88M-1□ / R88D-1SN□-ECT 外形尺寸 50

11kW、15kW (无制动)
R88M-1M11K015T (-O/-S2/-OS2)
R88M-1M15K015T (-O/-S2/-OS2)

R88M-1□ / R88D-1SN□-ECT 外形尺寸 51

11kW、15kW (带制动)
R88M-1M11K015T-B (O/S2/OS2)
R88M-1M15K015T-B (O/S2/OS2)

R88M-1□ / R88D-1SN□-ECT 外形尺寸 52

1500r/min马达(400V)

4kW (无制动)
R88M-1M4K015C (-O/-S2/-OS2)

R88M-1□ / R88D-1SN□-ECT 外形尺寸 54

4kW (带制动)
R88M-1M4K015C-B (O/S2/OS2)

R88M-1□ / R88D-1SN□-ECT 外形尺寸 55

5.5kW、7.5kW (无制动)
R88M-1M5K515C (-O/-S2/-OS2)
R88M-1M7K515C (-O/-S2/-OS2)

R88M-1□ / R88D-1SN□-ECT 外形尺寸 56

5.5kW、7.5kW (带制动)
R88M-1M5K515C-B (O/S2/OS2)
R88M-1M7K515C-B (O/S2/OS2)

R88M-1□ / R88D-1SN□-ECT 外形尺寸 57

11kW、15kW (无制动)
R88M-1M11K015C (-O/-S2/-OS2)
R88M-1M15K015C (-O/-S2/-OS2)

R88M-1□ / R88D-1SN□-ECT 外形尺寸 58

11kW、15kW (无制动)
R88M-1M11K015C-B (O/S2/OS2)
R88M-1M15K015C-B (O/S2/OS2)

R88M-1□ / R88D-1SN□-ECT 外形尺寸 59

1000r/min马达(200V)

900W (无制动)
R88M-1M90010T (-O/-S2/-OS2)

R88M-1□ / R88D-1SN□-ECT 外形尺寸 61

900W (带制动)
R88M-1M90010T-B (O/S2/OS2)

R88M-1□ / R88D-1SN□-ECT 外形尺寸 62

2kW (无制动)
R88M-1M2K010T (-O/-S2/-OS2)

R88M-1□ / R88D-1SN□-ECT 外形尺寸 63

2kW (带制动)
R88M-1M2K010T-B (O/S2/OS2)

R88M-1□ / R88D-1SN□-ECT 外形尺寸 64

3kW (无制动)
R88M-1M3K010T (-O/-S2/-OS2)

R88M-1□ / R88D-1SN□-ECT 外形尺寸 65

3kW (带制动)
R88M-1M3K010T-B (O/S2/OS2)

R88M-1□ / R88D-1SN□-ECT 外形尺寸 66

1000r/min马达(400V)

900W (无制动)
R88M-1M90010C (-O/-S2/-OS2)

R88M-1□ / R88D-1SN□-ECT 外形尺寸 68

900W (带制动)
R88M-1M90010C-B (O/S2/OS2)

R88M-1□ / R88D-1SN□-ECT 外形尺寸 69

2kW (无制动)
R88M-1M2K010C (-O/-S2/-OS2)

R88M-1□ / R88D-1SN□-ECT 外形尺寸 70

2kW (带制动)
R88M-1M2K010C-B (O/S2/OS2)

R88M-1□ / R88D-1SN□-ECT 外形尺寸 71

3kW (无制动)
R88M-1M3K010C (-O/-S2/-OS2)

R88M-1□ / R88D-1SN□-ECT 外形尺寸 72

3kW (带制动)
R88M-1M3K010C-B (O/S2/OS2)

R88M-1□ / R88D-1SN□-ECT 外形尺寸 73

减速机 AC伺服系统 1S系列