Page top

D4ER-□N

耐油限位开关

D4ER-□N

进一步提升D4E-N的耐油性能

(单位:mm)

导线引出方式

滚轮·柱塞型
D4ER-1A21N *
D4ER-2A21N *

D4ER-□N 外形尺寸 2

交叉滚轮·柱塞型
D4ER-1B21N *
D4ER-2B21N *

D4ER-□N 外形尺寸 3

柱塞型
D4ER-1C21N *
D4ER-2C21N *

D4ER-□N 外形尺寸 4

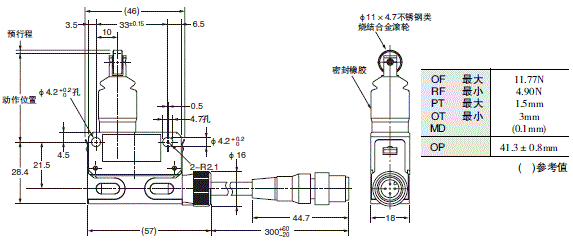
密封滚轮·柱塞型
D4ER-1D21N *
D4ER-2D21N *

D4ER-□N 外形尺寸 5

密封交叉滚轮·柱塞型
D4ER-1E21N *
D4ER-2E21N *

D4ER-□N 外形尺寸 6

滚珠摆杆型
D4ER-1G21N *
D4ER-2G21N *

D4ER-□N 外形尺寸 7

长滚轮·柱塞型
D4ER-1L21N *
D4ER-2L21N *

D4ER-□N 外形尺寸 8

注. 在上述各种机型的外形尺寸图中未标明尺寸公差为±0.4mm。
*仅记载了端子规格为“21”的产品。端子规格为“22”的导线在左侧引出。

预配接插件方式

滚轮·柱塞型
D4ER-1A21N-DTK1EJ *
D4ER-2A21N-DTK1EJ *

D4ER-□N 外形尺寸 11

交叉滚轮·柱塞型
D4ER-1B21N-DTK1EJ *
D4ER-2B21N-DTK1EJ *

D4ER-□N 外形尺寸 12

柱塞型
D4ER-1C21N-DTK1EJ *
D4ER-2C21N-DTK1EJ *

D4ER-□N 外形尺寸 13

密封滚轮·柱塞型
D4ER-1D21N-DTK1EJ *
D4ER-2D21N-DTK1EJ *

D4ER-□N 外形尺寸 14

密封交叉滚轮·柱塞型
D4ER-1E21N-DTK1EJ *
D4ER-2E21N-DTK1EJ *

D4ER-□N 外形尺寸 15

滚珠摆杆型
D4ER-1G21N-DTK1EJ *
D4ER-2G21N-DTK1EJ *

D4ER-□N 外形尺寸 16

长滚轮·柱塞型
D4ER-1L21N-DTK1EJ *
D4ER-2L21N-DTK1EJ *

D4ER-□N 外形尺寸 17

注1. 在上述各种机型的外形尺寸图中未标明尺寸公差为±0.4mm。
 2. 接插件部的定位部的位置并不固定。
*仅记载了端子规格为“21”的产品。端子规格为“22”的导线在左侧引出。