Page top

E3NX-CA

彩色光纤放大器

E3NX-CA

白色LED型智能光纤放大器,光纤放大器的操作性一如既往,可实现很高的颜色判别能力,原有的通用光纤单元,也可直接连接使用。

(单位:mm)

无指定尺寸公差:公差等级 IT16

光纤放大器

导线引出型
E3NX-CA11
E3NX-CA41
E3NX-CA21
E3NX-CA51

E3NX-CA 外形尺寸 3

省配线接插件型
E3NX-CA6
E3NX-CA8

E3NX-CA 外形尺寸 4

传感器通信单元用接插件型
E3NX-CA0

E3NX-CA 外形尺寸 5

光纤单元

反射型
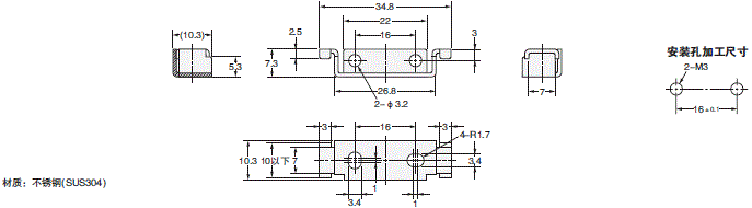
E32-C91N

E3NX-CA 外形尺寸 7

对射型(凹槽型)
E32-G16

E3NX-CA 外形尺寸 8

附件(另售)

省配线接插件
母接插件
E3X-CN11

E3NX-CA 外形尺寸 10

子接插件
E3X-CN12

E3NX-CA 外形尺寸 11

安装配件
E39-L143

E3NX-CA 外形尺寸 12

DIN导轨
PFP-100N
PFP-50N

E3NX-CA 外形尺寸 13

材质:铝

PFP-100N2

E3NX-CA 外形尺寸 14

材质:铝

端板
PFP-M

E3NX-CA 外形尺寸 15

材质:铁、镀锌