Page top

A7D / A7DP

拨码开关

A7D / A7DP

超小、低成本、按操作的开关

(单位:mm)

开关

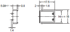
A7D-106(-1)
PCB端子

A7D / A7DP 外形尺寸 3

A7D-206(-1)
PCB端子

A7D / A7DP 外形尺寸 5

A7DP-206(-1)
PCB端子,笔按型

A7D / A7DP 外形尺寸 7

附件(另售)

用于按操作开关的端盖
A7D-1M(-1)螺钉安装(后面安装)

A7D / A7DP 外形尺寸 9

用于按操作开关的端盖
A7D-2M(-1)卡入式安装(前面安装)

A7D / A7DP 外形尺寸 10

用于按操作开关的隔板
A7D-1P□(-1)螺钉安装(后面安装)

A7D / A7DP 外形尺寸 11

注:隔板型号中的□代表范围A到U中的字母。 (参见Catalog上隔板说明下面的表格。)

用于按操作开关的隔板
A7D-2P□(-1)卡入式安装(前面安装)

A7D / A7DP 外形尺寸 13

注:隔板型号中的□代表范围A到U中的字母。 (参见Catalog上隔板说明下面的表格。)
注:除非另有说明, 否则上面型号中尺寸的尺寸公差为±0.4mm。