Page top

Cobra 350

SCARA机器人

Cobra 350

用于精密加工、组装和搬运的小型SCARA机器人

(单位:mm)

Cobra 450

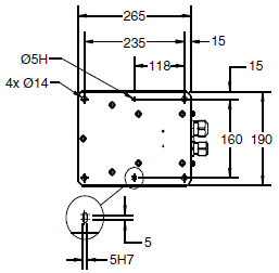
Cobra 350 外形尺寸 1

eMotion Blox-40M

Cobra 350 外形尺寸 2

法兰

Cobra 350 外形尺寸 3

占地面积

Cobra 350 外形尺寸 4

前面板(选购件)

Cobra 350 外形尺寸 5