Page top

2024/03 生产终止

G3RV-SR

纤薄型I/O固态继电器

G3RV-SR

全球标准尺寸、宽6.2mm的低背纤薄型I/O 固态继电器。

该页面所登载的内容是基于生产终止以前的产品样本制作而成的参考信息,产品的特点/种类/规格/配件等可能与现在所使用的不同。请在使用时确认系统的兼容性及安全性。

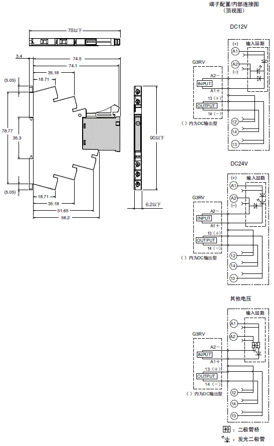
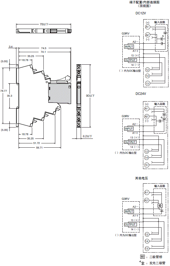
(单位:mm)

固态继电器+插座

Push-In Plus端子台
G3RV-SR500

G3RV-SR 外形尺寸 2

注.关于推荐棒状端子、工具、线种、线径,请参见样本的“推荐棒状端子和工具”。

螺钉端子
G3RV-SR700

G3RV-SR 外形尺寸 3

注.关于推荐棒状端子、工具、线种、线径,请参见样本的“推荐棒状端子和工具”。

更换用固态继电器

G3RV-D03SL
G3RV-202S(L)

G3RV-SR 外形尺寸 4