Page top

PYF-□□-PU / PTF-□□-PU / P2RF-□□-PU

Push-In Plus端子台插座

PYF-□□-PU / PTF-□□-PU / P2RF-□□-PU

为MY系列、LY系列,G2R-S系列用插座节省工时的Push-In Plus端子台型加入产品系列

(单位:mm)

插座

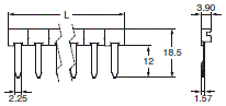
PYF-08-PU(-L)

PYF-□□-PU / PTF-□□-PU / P2RF-□□-PU 外形尺寸 2

* PYF-08-PU-L中未配备分离杆。

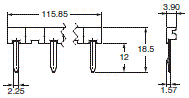
PYF-14-PU(-L)

PYF-□□-PU / PTF-□□-PU / P2RF-□□-PU 外形尺寸 3

* PYF-14-PU-L中未配备分离杆。

安装高度

PYF-08-PU

PYF-□□-PU / PTF-□□-PU / P2RF-□□-PU 外形尺寸 5

PYF-14-PU

PYF-□□-PU / PTF-□□-PU / P2RF-□□-PU 外形尺寸 6

PTF-08-PU(-L)

PYF-□□-PU / PTF-□□-PU / P2RF-□□-PU 外形尺寸 7

注. LY1与PTF-08-PU (-L)组合,通电10A以上时,请分别将端子No.①-②间、③-④间、⑤-⑥间短路。
*PTF-08-PU-L中未配备分离杆。

PTF-14-PU-L

PYF-□□-PU / PTF-□□-PU / P2RF-□□-PU 外形尺寸 8

安装高度

PTF-08-PU

PYF-□□-PU / PTF-□□-PU / P2RF-□□-PU 外形尺寸 10

PTF-14-PU-L

PYF-□□-PU / PTF-□□-PU / P2RF-□□-PU 外形尺寸 11

P2RF-05-PU

PYF-□□-PU / PTF-□□-PU / P2RF-□□-PU 外形尺寸 12

P2RF-08-PU

PYF-□□-PU / PTF-□□-PU / P2RF-□□-PU 外形尺寸 13

安装高度

P2RF-05-PU

PYF-□□-PU / PTF-□□-PU / P2RF-□□-PU 外形尺寸 15

P2RF-08-PU

PYF-□□-PU / PTF-□□-PU / P2RF-□□-PU 外形尺寸 16

*( )中的值为使用带闭锁摆杆G2R-□-S(S)时的高度。

附件(另售)

短接棒

PYDN-7.75-□□(7.75mm)

PYF-□□-PU / PTF-□□-PU / P2RF-□□-PU 外形尺寸 19

PYDN-15.5-080□(15.5mm)

PYF-□□-PU / PTF-□□-PU / P2RF-□□-PU 外形尺寸 20

PYDN-31.0-080□(31mm)

PYF-□□-PU / PTF-□□-PU / P2RF-□□-PU 外形尺寸 21
PYF-□□-PU / PTF-□□-PU / P2RF-□□-PU 外形尺寸 22

导轨安装用品

PFP-□的详情,请参见本公司网站(www.seobyjennifer.com)。